PL880551是一款60V、5A的同步降压稳压器,集成了高侧场效应管和低侧n沟道场效应管驱动器
一、产品详情
1、产品特征:
-
4.8V - 60V宽范围工作输入电压
-
结温范围: –40°C to +150°C
-
固定3ms内部软启动计时器
-
支持峰值电流限制保护
-
支持热关机保护机制
-
0.8V 1%内部电压基准源
-
固定160KHz开关频率
-
80mΩ高侧场效应管
-
集成低侧N沟道场效应管
-
在轻负载情况下采用脉冲跳频模式实现高效率
-
轻载时低功耗,具有集成的自举充电场效应晶体管
-
68V输入过压保护
-
运行时的负载率高达 97%
-
采用ESOP8封装
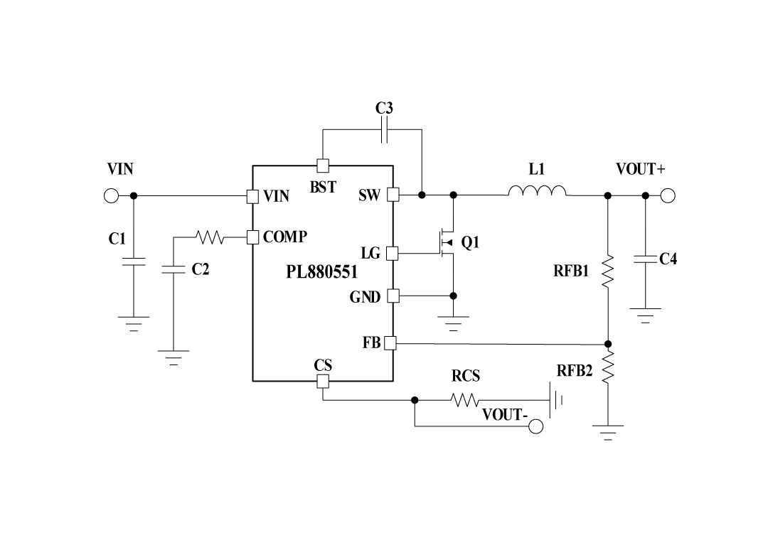
2、应用原理图:
3、产品描述
PL880551是一款60V、5A的同步降压稳压器,集成了高侧场效应管和低侧n沟道场效应管驱动器。该设备能承受高达68V的负载冲击脉冲。电流模式控制提供简单的外部补偿和灵活的元件选择。低纹波脉冲跳频模式可减少空载时的供电电流。欠压保护内部设定在4.8V。输出电压启动斜率由内部控制,以提供受控的启动并消除过冲。
PL880551具有可配置的线路掉电补偿和可配置的充电电流限制。CC/CV模式控制提供了在恒定电流充电和恒定电压充电阶段之间平滑过渡。
PL880551的其他特点包括超低静态电流和高轻负载效率、创新的峰值电流保护、集成的VCC偏置供电和引导二极管、精确的使能和输入欠压锁定,以及具有自动恢复的热关断保护。
4、典型应用场景
-
电器,电源设备和园艺工具
-
高容量电池组(电动自行车,电动滑板车)
-
电机驱动装置,无人机,通讯设备
-
工业自动化和电机控制
-
车辆配件: GPS(全球定位系统), 娱乐设备
-
USB专用充电端口和电池充电器
5、封装信息
6、管脚定义和功能描述
管脚功能描述
| 序号 | 名称 | 描述 |
|---|---|---|
| 1 | BST | 引导驱动电源 |
| 2 | VIN | 将调节器供电输入引脚连接到高侧功率MOSFET和内部偏置调节器。直接连接到降压转换器的输入供电,使用短且低阻抗的通路。 |
| 3 | LG | 低侧场效应管的输出驱动器 |
| 4 | CS | 电流检测输入。在此引脚和 GND 之间连接一个 10mΩ 至 100mΩ 的电阻器,以设置电流限制。 |
| 5 | FB | 电压调节比较器的反馈输入。 |
| 6 | COMP | 误差放大器输出和输入到输出开关电流(PWM)比较器。将频率补偿元件连接到此端口。 |
| 7 | GND | 内部电路的接地连接 |
| 8 | SW | 转换器内部高侧功率场效应管和开关节点的来源。 |
| 9 | EP | 封装的裸露垫片。没有内部电连接。将EP焊接到GND引脚并连接到大型铜平面,以降低热阻。 |
二、技术文档
| 类型 | 标题 | 上传时间 | 文档下载 |
| 产品规格书(英文) | PL880551_Datasheet_en_R1.0 | 2025/05/28 | PDF下载 |
三、应用方案
| 序号 | 标题 |
| 1 |
扫地机器人方案
|
| 2 |
智能办公桌、智能沙发应用方案
|
| 3 |
电摩托车车充30-65W享A+C方案
|

