PL93057是一款集成快充全协议及充电管理的双向升压/降压SOC
一、产品详情
1、产品特征:
-
支持升压放电和降压充电, 同时支持PD3.0, QC3.0, AFC, SCP, FCP, BC1.2 等协议
-
支持PD3.0协议的双角色转换
-
内置充电管理功能,包括涓流、恒流、恒压、充满停止及复充
-
VBUS/VBAT电压范围最高可到24V
-
集成四颗内阻8mR的N-MOSEFT
-
集成A口和C口的插拔检测功能
-
集成端口的过流、过压保护功能
-
支持1串锂电充电管理
-
支持4.2V和3.5V的充满电压且可调
-
开关频率可选150Khz 或 300Khz
-
内置自适应充电功能,通过写寄存器可动态调整VINREG电压适应不同功率的适配器
-
内置12-bit DAC 可确保电流以10mA的步径设置
-
内置12-bit DAC 可确保输出电压以5mV的步径设置
-
外部可通过VMON 引脚检测电池端、BUS端以及各个端口端的电压和电流等信息
-
集成DC-DC转换器的各种保护功能
-
当BUS电压与电池电压接近时,可设置直通
-
内置I²C接口与外部系统通信
-
集成3.3V/50mA LDO
-
QFN6x6-42 封装
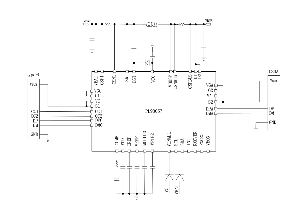
2、应用原理图:
3、产品描述
PL93057是集成了快充全协议、高效率、带充电管理的同步升压/降压SOC。 它是一个针对type-C PD快充应用而设计的、功能丰富的、使用灵活的升降压转换器平台,支持升压放电和降压充电。 PL93057 集成了I²C 接口,可方便与外部系统通信。通过I²C可将电池电压、BUS电压、电池电流、BUS电流及各端口的电压电流信息传送到外部系统。 同时,内部集成了耐高压的CC1/CC2、DP/DM USB通信协议接口。搭配普通的MCU 就可为各种快充应用提供完整、强大、灵活的快充方案。
在充电模式, PL93057支持涓流、恒流、恒压的充电管理。充电电流和电压都可以通过两个12-bit 寄存器来控制。 PL93057集成I²C接口,通过读写寄存器用户可方便的控制系统进入充电或放电模式,设置充电电流、充满电压、输出电压以及输出恒流点。通过I²C接口可以监控USB端口的状态,并控制内部NMOS的导通和关闭。同时用户也可以通过读状态寄存器来监控DC-DC的状态,甚至监控整个系统的工作情况。
PL93057提供VMON引脚,MCU可以通过该引脚直接实时读取VBUS、IBUS、VBAT、IBAT以及各端口的电压、电流信息。以简化系统设计和降低BOM成本。
为确保系统在任何工作条件下的安全,PL93057 集成了欠压保护、过压保护、过流保护、短路保护、以及温度保护等功能。
4、典型应用场景
-
充电宝
-
移动储能
-
电动工具
-
充电器
5、封装信息
6、管脚定义和功能描述
管脚功能描述
| 序号 | 名称 | 描述 |
|---|---|---|
| 1 | VC | C口端电压检测 |
| 2 | VGA | A口输出路径NMOS控制引脚 |
| 3 | VA | A口端电压检测 |
| 0,4 | GND | 小信号地,需单点接到系统地 |
| 5 | VMON | 为外部MCU提供电压、电流信息,通过RC滤波连接至MCU ADC引脚。可读到 VBUS/VBAT,IBUS/IBAT,温度以及各端口的电压、电流信息。 |
| 6 | SCL | I²C时钟线,通过上拉电阻(典型10kΩ)连接至MCU |
| 7 | SDA | I²C数据线,通过上拉电阻(典型10kΩ)连接至MCU |
| 8 | INT | 中断信号,开漏结构,需连接至MCU |
| 9 | RXOVER | 通信辅助信号,需连接至MCU |
| 10 | RXCRC | 通信辅助信号,需连接至MCU |
| 11 | IREF | 输入、输出电流限流环的参考点 |
| 12 | VP1P2 | 1.2V内部系统电压源 |
| 13 | MCULDO | 3.3V给外部MCU供电 |
| 14 | VDD | 5V内部系统电压源,接1uF陶瓷电容到GND,尽可能靠近引脚 |
| 15 | VINALL | IC供电引脚,外部供电通过肖特基二极管连接至引脚,接1uF陶瓷电容到GND,尽可能靠近引脚 |
| 16 | VREF | 电压环的参考点 |
| 17 | COMP | 误差放大器输出节点,连接频率补偿器件到GND |
| 18 | DPA | A口协议识别信号D+ |
| 19 | DMA | A口协议识别信号D- |
| 20 | CSN1 | 电流检测放大器输入负端,检测VBAT端电流 |
| 21 | CSP1 | 电流检测放大器输入正端,检测VBAT端电流 |
| 22 | VBAT | 电池端正极,接0.1uF陶瓷电容到PGND,尽可能靠近引脚 |
| 23 | G2 | A口路径MOS栅极 |
| 24 | G1 | C口路径MOS栅极 |
| 25 | VCC | 驱动电压源,接0.1uF陶瓷电容到PGND,尽可能靠近引脚 |
| 26 | D1 | C口路径MOS漏极 |
| 27 | D2 | A口路径MOS漏极 |
| 28 | SW | 半桥开关节点2,接功率电感 |
| 29 | VBUSP | 半桥上管源极,接VBUS端检流电阻 |
| 30 | S1 | C口路径MOS源极 |
| 31 | S2 | A口路径MOS源极 |
| 32,33 | PGND | 功率MOS源极 |
| 34 | BST | 连接100nF陶瓷电容至SW2 |
| 35 | VBUS | 输出电压或输入电压点,接0.1uF陶瓷电容到PGND,尽可能靠近引脚 |
| 36 | CSPBUS | 电流检测放大器输入正端,检测VBUS端电流 |
| 37 | CSNBUS | 电流检测放大器输入负端,检测VBUS端电流 |
| 38 | CC1 | C口检测和快充通信引脚 |
| 39 | CC2 | C口检测和快充通信引脚 |
| 40 | DPC | C口协议识别信号D+ |
| 41 | DMC | C口协议识别信号D- |
| 42 | VGC | C口输入、输出路径NMOS控制引脚 |
二、技术文档
| 类型 | 标题 | 上传时间 | 文档下载 |
| 产品规格书(中文) | PL93057_Datasheet_CN_V1.0 | 2025/04/09 | PDF下载 |
三、应用方案
| 序号 | 标题 |
| 1 |
CA/单串/18-27W充电宝方案
|

