LYF89023是一款100V/3A异步降压型DC-DC转换器
一、产品详情
1、产品特征:
-
5V-100V宽范围工作输入电压
-
结温范围: –40°C to +150°C
-
固定3ms内部软启动计时器
-
支持峰值电流限制保护
-
支持使能欠压锁定和热关断保护
-
最小开启和关闭时间低至100ns/200n
-
固定开关频率300kHz
-
5µA超低静态电流
-
COT(恒定导通时间控制)控制架构
-
集成0.325Ω场效应管开关,支持宽占空比范围
-
1.2V 内部电源基准
-
无需环路补偿器件
-
集成VCC偏置调节器和自举二极管
-
开漏式电源良好指示灯
-
采用ESOP8封装
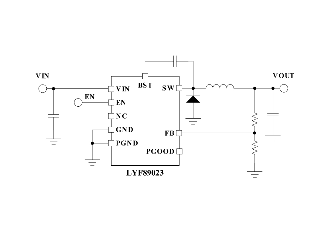
2、应用原理图:
3、产品描述
LYF89023异步降压转换器设计用于在宽范围输入电压内调节, 最小化对外部浪涌抑制组件的需求. 100纳秒的最小可控时间促进了转换比,LYF89023在输入电压降低至5V时仍然可以运行,如果需要,几乎可以达到100%占空比, 使其成为广泛输入供应范围的工业和高电池单元数量电池组应用的优秀选择
LYF89023集成高侧功率MOSFET,可提供高达3A的输出电流. 恒定导通时间控制架构(COT)提供近乎恒定的开关频率,具有出色瞬态响应。 LYF89023的其他特点包括超低静态电流和高效率, 创新的设计和峰值电流保护, 内部集成VCC偏置稳压器和自举二极管, 精确使能和输入欠压锁定, 以及具有自动恢复的热关断保护. 开漏输出电源良好指示器可提供测序,故障报告及输出电压监测功能。
4、典型应用场景
-
电器,电源设备和园艺工具
-
高容量电池组 (电动自行车, 电动滑板车)
-
电机驱动装置,无人机,通讯设备
5、封装信息
6、管脚定义和功能描述
管脚功能描述
| 序号 | 名称 | 描述 |
|---|---|---|
| 1 | FB | 电压调节比较器的反馈输入 |
| 2 | NC | 不要连接到任何网络。 |
| 3 | VIN | 调节器将输入引脚供电给高侧功率MOSFET和内部偏置调节器。直接连接到降压转换器的输入电源,路径要短且阻抗低。 |
| 4 | BST | 引导驱动电源的自举。 |
| 5 | SW | 开关节点内部连接到高侧NMOS降压开关的源极和低侧NMOS同步整流器的漏极。连接到功率电感的开关节点。 |
| 6 | PGOOD | 电源良好指示器。此引脚为开漏输出引脚。通过一个外部上拉电阻(10kΩ到100kΩ)连接到源电压。 |
| 7 |
EN/ UVLO |
精度使能和欠压锁定(UVLO)编程引脚。如果EN/UVLO电压低于1.1V,转换器处于关断模式,所有功能被禁用。如果UVLO电压大于1.1V且低于1.5V,转换器处于待机模式,内部VCC稳压器正常工作但不切换。如果EN/UVLO电压高于1.5V,启动序列开始。 |
| 8 | GND | 内部电路的接地连接。 |
| 9 | EP | 封装的裸露垫片。没有内部电气连接。将EP焊接到GND引脚,并连接到大铜平面以降低热阻。封装的裸露垫片。没有内部电连接。将EP焊接到GND引脚并连接到大型铜平面,以降低热阻。 |
二、技术文档
| 类型 | 标题 | 上传时间 | 文档下载 |
| 产品规格书(英文A版) | LYF89023_Datasheet_en_R1.0_A | 2025/08/02 | PDF下载 |
| 产品规格书(英文B版) | LYF89023_Datasheet_en_R1.0_B | 2025/08/02 | PDF下载 |
三、应用方案
| 序号 | 标题 |
| 1 |

