PL59201是一款100V高压大电流同步降压控制器
一、产品详情
1、产品特征:
-
输入电压范围:6V-100V
-
最大输出电流:20A
-
可调节工作频率最高1MHz
-
内置强大的栅极驱动 2.3A/3.5A
-
自适应死区控制
-
频率同步功能
-
线路前馈的电压控制模式
-
支持欠压保护、过压保护、过流保护、短路保护和过温保护
-
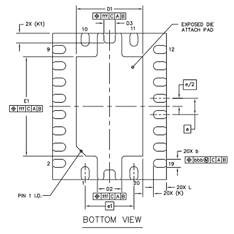
封装:QFN3.5x4.5-20L
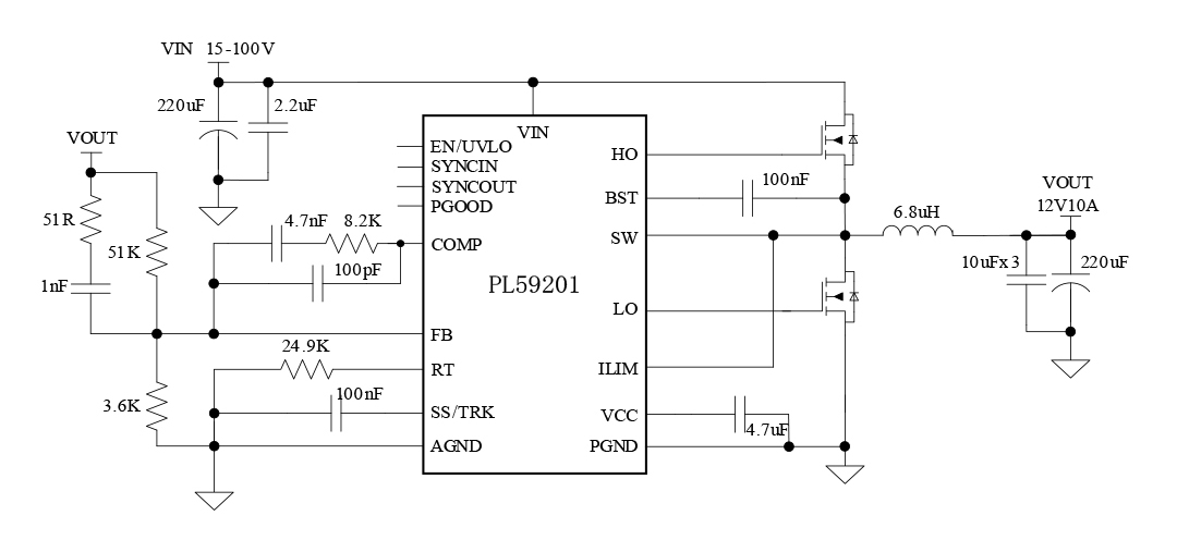
2、应用原理图:
3、产品描述
PL59201是一款100V同步降压控制器,旨在从高输入电压源或受高电压瞬变影响的输入轨进行调节,从而最大限度地减少对外部浪涌抑制组件的需求。PL59201在低至6V的输入电压骤降期间仍能继续工作,如果需要的话,其占空比接近100%,使其非常适合工业控制、机器人、数据通信和射频功率放大器应用。
强制PWM(FPWM)操作消除了频率变化,以最大限度地减少EMI,而用户可选的二极管仿真功能降低了轻负载条件下的电流消耗。通过测量低压侧MOSFET两端的电压降或使用可选的电流感测电阻器来实现逐周期过电流保护。高达1 MHz的可调开关频率可以与外部时钟源同步,以消除噪声敏感应用中的拍频。
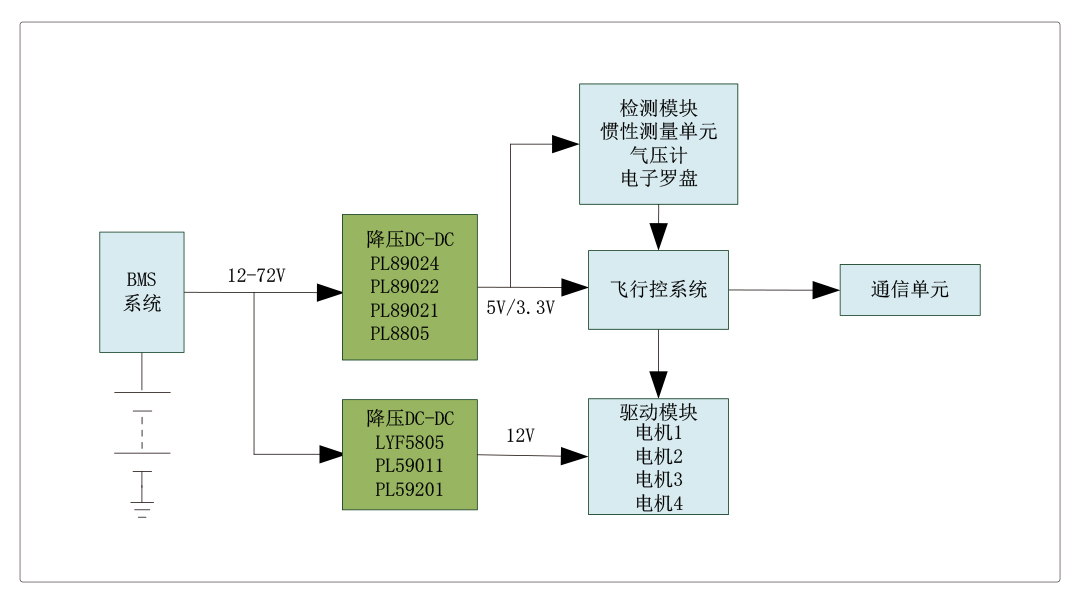
4、典型应用场景
-
高电池节数电池组(如:电动自行车、电动踏板车)
-
电机驱动器、无人机、电信
-
移动储能电源
-
非隔离式POE
-
网络和计算机
-
电器、电动工具和园艺工具
5、封装信息
6、管脚定义和功能描述
管脚功能描述
| 序号 | 名称 | 描述 |
|---|---|---|
| 1 | EN/UVLO | 使能引脚 |
| 2 | RT | 振荡器频率调整引脚。内部振荡器通过一个在RT和AGND之间的单一电阻进行编程。建议的最大振荡器频率为1 MHz。即使使用SYNCIN引脚与外部时钟进行同步,RT引脚上的电阻也是必需的。 |
| 3 | SS/TRK | 软启动和电压跟踪引脚。一个外部电容和一个内部10μA电流源设置了错误放大器参考电压在启动过程中的上升速率。当SS/TRK引脚电压低于0.8V时,SS/TRK电压控制错误放大器的非反相输入。当SS/TRK电压超过0.8V时,放大器由内部的0.8V参考电压控制。在待机和故障状态下,SS/TRK被放电到地。在启动后,SS/TRK电压被钳位到比FB引脚电压高115mV的水平。如果由于负载故障导致FB电压下降,SS/TRK将被放电到比FB高115mV的水平,以在故障解除时提供一个受控的恢复。通过将一个低阻抗参考连接在0V和0.8V之间到SS/TRK引脚,可以实现电压跟踪。如果阻抗不低,10µA SS/TRK充电电流流入参考电压,将产生电压误差。从SS/TRK到AGND连接一个最小电容为2.2nF。 |
| 4 | COMP | 内部误差放大器的低阻抗输出。将环路补偿网络连接在COMP引脚和FB引脚之间。 |
| 5 | FB | 反馈连接到内部误差放大器的反相输入。一个电阻分压器从输出到这个引脚设置输出电压水平。FB引脚的调节阈值名义上为0.8V。 |
| 6 | AGND | 模拟地。用于内部0.8V电压参考和模拟电路的返回。 |
| 7 | SYNCOUT | 同步输出。逻辑输出提供一个与高侧FET门驱动信号相位相差180°的时钟信号。将主PL59201的SYNCOUT连接到第二个PL59201的SYNCIN引脚,以便以相同的频率操作两个控制器,并实现180°交错的高侧FET开关导通过渡。注意,当控制器从一个不同于由RT电阻设置的自运行频率的外部时钟中操作时,SYNCOUT引脚不会提供180°交错。 |
| 8 | SYNCIN | 双功能引脚用于提供可选的时钟输入,并通过低侧MOSFET启用二极管仿真。将时钟信号连接到SYNCIN引脚可以将开关与外部时钟同步。当控制器与外部时钟同步时,低侧MOSFET的二极管仿真被禁用,并且在轻负载下,负的电感电流可以流入低侧MOSFET。在SYNCIN引脚上保持逻辑低状态可以启用二极管仿真,以防止电感中的反向电流流动。二极管仿真导致轻负载下的非连续模式操作(DCM),从而提高效率。SYNCIN引脚上的逻辑高状态则禁用二极管仿真,产生强制PWM(FPWM)操作。在软启动过程中,当SYNCIN为高或存在时钟信号时,PL59201在二极管仿真模式下运行,直到输出达到稳态,然后逐渐增加SW零交叉阈值,导致从DCM到FPWM的渐进过渡。 |
| 9 | NC | 浮空,无网络连接 |
| 10 | PGOOD | 电源良好指示器。这个引脚是一个开漏输出。高电平状态表示FB引脚的电压在以0.8V为中心的指定容差范围内。 |
| 11 | ILIM | 电流限制调整和电流感应比较器输入。通过外部电阻从ILIM引脚源出的电流用于设置谷电流限制的阈值电压。阈值调整电阻的另一端可以连接到低边MOSFET的漏极以进行RDS(on) 感应,或者连接到与低边FET源相连的电流感应电阻。 |
| 12 | PGND | 低侧MOSFET门驱动器的电源地返回引脚。直接连接到低侧MOSFET的源极或霍尔电阻的接地端。 |
| 13 | LO | 低侧场效应管栅极驱动输出。 |
| 14 | VCC | 7.5V偏置调节器的输出。使用低ESR/ESL电容进行本地解耦,尽量靠近控制器放置在PGND上。 |
| 15 | EP | 引脚内部连接到封装的裸露焊盘。电气隔离。 |
| 16 | NC | 无网络连接 |
| 17 | BST | 高侧栅极驱动器的引导供电。连接到引导(引导)电容。引导电容为高侧FET栅极提供电流,必须尽可能靠近控制器使用。使用外部肖特基二极管为引导电容充电,将二极管的阴极连接到BST引脚,阳极连接到VCC。 |
| 18 | HO | 高边场效应管栅极驱动输出。 |
| 19 | SW | 降压控制器的开关节点。 |
| 20 | VIN | VCC 线性稳压器 调节器的供电电压输入。 |
| 21 | EP | 包装的暴露焊盘。电气隔离。将其焊接到系统接地平面以减少热阻。 |
二、技术文档
| 类型 | 标题 | 上传时间 | 文档下载 |
| 产品规格书(英文) | PL59201_Datasheet_en_R1.0 | 2025/04/29 | PDF下载 |
三、应用方案
| 序号 | 标题 |
| 1 |
电摩托车车充30-65W 共享A+C方案
|
| 2 |
无人机电源应用方案
|
| 3 |
新能源BMS应用方案
|
| 4 |
智能办公桌、智能沙发应用方案
|

