PL56002是一款32V 20A双路恒流降压控制器
一、产品详情
1、产品特征:
-
输入电压范围:3.5V-32V
-
最大输出电流:20A
-
开关频率150kHz、300kHz
-
内置2A栅极驱动
-
支持PWM调压、调电流
-
支持100%占空比
-
支持抖频模式
-
轻载高效模式
-
支持欠压、过压、过流、短路、温度等保护
-
封装:QFN3x3-20
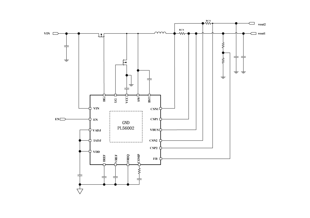
2、应用原理图:
3、产品描述
PL56002是一款脉宽调制信号(PWM)控制器,针对输入电压为4.2V到32V的高性能同步降压DC/DC应用而设计。
PL56002采用常开时间控制。根据FREQ引脚和GND引脚之间不同的电阻值,开关频率可以设定为150kHz或300kHz。该设备还具有可编程的软启动功能,并提供各种保护功能,包括每周期限流、输入欠压锁定(UVLO)、输出过压保护(OVP)、过温关断和输出短路保护等。PL56002提供电压控制回路、恒流回路和热调节回路。
4、典型应用场景
-
汽车启停系统
-
工业用电源供应器
-
USB电源传输技术
5、封装信息
6、管脚定义和功能描述
管脚功能描述
| 序号 | 名称 | 描述 |
|---|---|---|
| 1 | HG | 高侧场效应管驱动器 |
| 2 | VIN | 输入电压 |
| 3 | CSP1 | 输出电流1感应的正输入 |
| 4 | CSN1 | 输出电流1感应的负输入 |
| 5 | EN | 逻辑高将启用转换器。拉低或浮动以禁用 |
| 6 | VDD | PL56002控制核心的5.4V电源 |
| 7 | VADJ | 将0-2V的模拟电压或PWM信号连接到VREF引脚以编程电压参考。将此引脚连接到VDD将强制VREF保持在恒定的2V |
| 8 | IADJ | 将0-2V的模拟电压或PWM信号连接到IREF引脚上的电压参考。将该引脚连接到VDD将强制IREF为2V |
| 9 | IREF | 电流限制环路的参考电压 |
| 10 | VREF | 电压控制环路的电压参考 |
| 11 | FREQ | 连接到地(GND)以将开关频率设定为150kHz。将此引脚连接到VDD以将开关频率设定为300kHz。建议使用150 kHz。 |
| 12 | COMP | 误差放大器输出 |
| 13 | FB | VBUS电压反馈。将电阻分压器连接在VBUS和GND之间到FB,以编程VBUS电压 |
| 14 | CSN2 | 输出电流2感应的负输入 |
| 15 | CSP2 | 输出2电流感应的正输入 |
| 16 | VBUS | USB总线电压 |
| 17 | VCC | 5.0V电源用于高侧和低侧驱动器 |
| 18 | LG | 低侧MOSFET驱动器输出 |
| 19 | SW | 将此引脚连接到电压的转换点 |
| 20 | BST | 为高侧MOSFET驱动器增强引脚。 |
| 0 | GND | 地 |
二、技术文档
| 类型 | 标题 | 上传时间 | 文档下载 |
| 产品规格书(英文) | PL56002_Datasheet_en_ r1.0 | 2025/06/10 | PDF下载 |
三、应用方案
| 序号 | 标题 |
| 1 |
智能窗帘应用方案
|

