36V, 5A Monolithic Step-Down Switching Regulator
1、Features
| 2、Applications
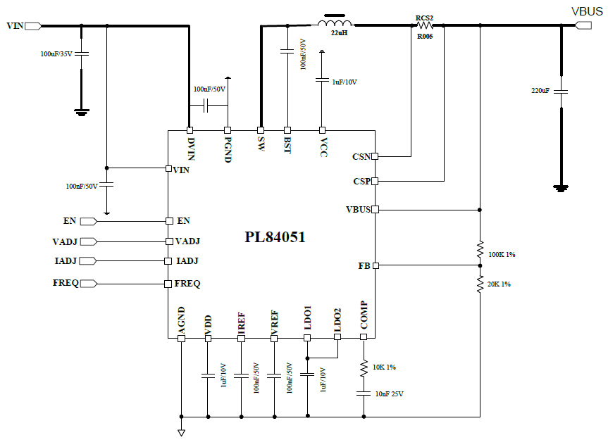
3、Description PL84051 integrates a high efficiency synchronous step-down switching regulator, which includes a 40V, 11mΩ high side and a 40V, 13mΩ low side MOSFETs to provide 5A continuous load current over 4.5V to 36V wide operating input voltage. PL84051 employs Constant ON time control. The switching frequency could be set to 150kHz, 300kHz, 600kHz or 1200kHz based on different resistor value between FREQ pin and GND pin. The device also features a programmable soft-start function and offers all kinds of protection features including cycle-by-cycle current limiting, input under voltage lockout (UVLO), output over voltage protection (OVP), input Over Voltage Protection, thermal shutdown and output short protection etc. PL84051 provides voltage control loop, constant current loop, and thermal regulation loop. |
| 4、Typical Application Schematic | 5、Pin Configuration and Functions |
![]() | ![]() |



