PL94053是一款集成MOS单向升降压控制器
一、产品详情
1、产品特征:
-
输入电压范围:3.5V-32V
-
输出电压范围:2.0V-30V
-
最大输出电流:5A
-
开关频率:150KHz/300KHz
-
集成了两个9mΩ FET
-
支持PWM调压、调电流
-
支持欠压、过压、过流、短路、温度等保护
-
封装:QFN5x5-32
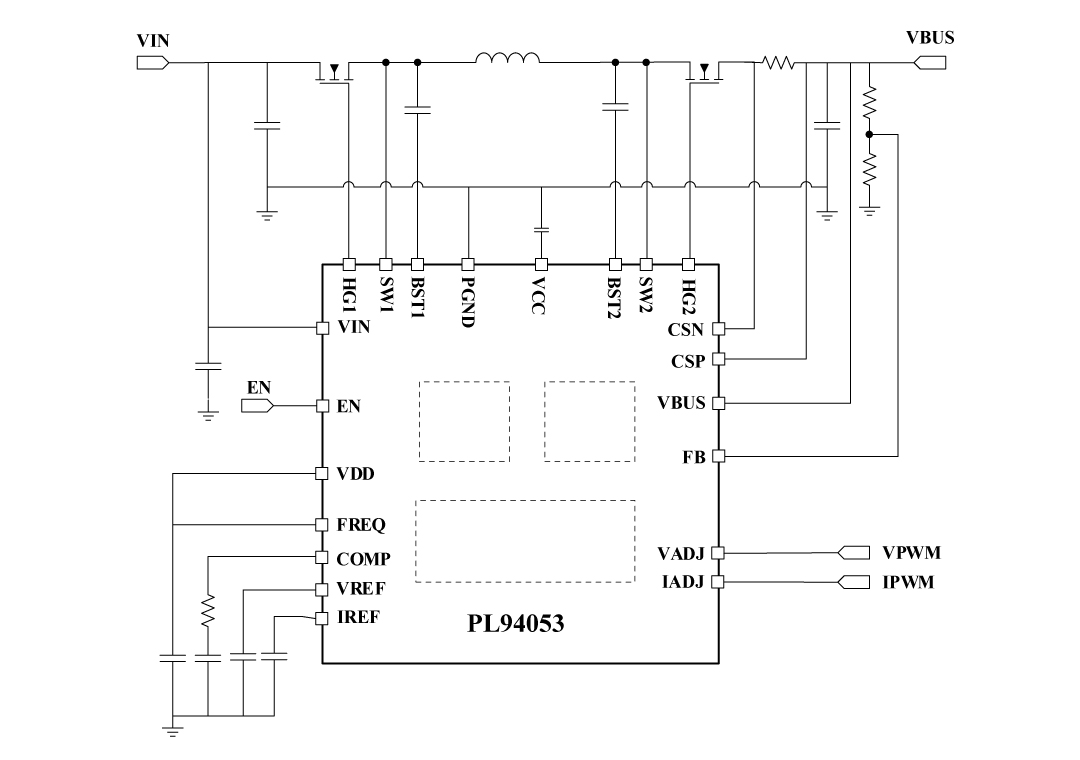
2、应用原理图:
3、产品描述
PL94053 是一款同步 4 开关降压-升压控制器,能够在高于或低于输入电压时调节输出电压。PL94053可在 3.6 V 至 32 V(最大 36 V)的宽输入电压范围内工作,以支持各种应用。集成两个 9mΩ 功率场效应管。
PL94053 在降压、升压和降压-升压作模式下采用恒定导通时间控制,以实现卓越的带载能力和线路调节能力。开关频率可以根据 FREQ 引脚和 AGND 引脚之间的电阻值不同设置为 150kHz、300kHz、600kHz 或 1200kHz。该器件还具有可编程软启动功能,并提供各种保护功能,包括逐周期电流限制、输入欠压锁定 (UVLO)、输出过压保护 (OVP)、输入过压保护、热关断和输出短路保护等。
VADJ、IADJ 引脚用于编程输出 VBUS 电压和输出电流限制,提供电压控制回路、恒流回路、热调节回路、温度感应,这使得PL94053成为 USB 供电 (PD) 应用的绝佳选择。
4、典型应用场景
-
车载电子
-
新能源供电系统
-
便携式设备
-
工业用电压供应器
-
HUB电源
5、封装信息
6、管脚定义和功能描述
管脚功能描述
| 序号 | 名称 | 描述 |
|---|---|---|
| 1 | BST1 | 用于高侧场效应管驱动器的升压引脚1。 |
| 2 | HG1 | 高侧场效应管驱动器1。 |
| 3 | VIN | 将此引脚连接到输入电压。 |
| 4,29 | SW1 | 将此引脚连接到功率级的电压转换节点 |
| 5,13,20 | AGND | 模拟地。将 PGND 和 AGND 一起连接到 IC 下的导热垫上。 |
| 6 | EN | 拉高将启用转换器。拉低将禁用除 LDO 以外的整个 PL94053。当 EN 为低电平时,只有 LDO(线性稳压器) 为系统 MCU 供电。 |
| 7 | VDD | 5.4V电源,用于PL94053控制内核。 |
| 8 | VADJ | 连接0-2V模拟电压或PWM信号,以在VREF引脚上编程电压参考。将此引脚连接到VDD将强制VREF恒定为2V。 |
| 9 | IADJ | 连接0-2V模拟电压或PWM信号以编程IREF引脚上的电压参考。将此引脚连接到VDD将强制IREF为2V。 |
| 10 | IREF | 输入和输出限流回路的参考电压。 |
| 11 | VREF | 电压控制回路的电压基准 |
| 12 | LDO | 低静态电流 5V/55mA LDO。直接由VIN引脚供电。LDO可用作MCU等应用处理器的电源。当EN为低电平时,只有该LDO将激活为MCU供电,并为整个系统保持低静态电流 |
| 14 | FREQ | 连接到GND以将开关频率设置为150kHz。将此引脚连接到VDD以将开关频率设置为300kHz。连接到VDD和GND之间的电阻分压器,将频率设置为600k和1200kHz。 |
| 15 | COMP | 误差放大器输出。 |
| 16 | FB | VBUS总线电压反馈。将VBUS和GND之间的电阻分压器连接到FB以编程VBUS电压。 |
| 17 | CSN | 输出电流检测的负输入。 |
| 18 | CSP | 输出电流检测的正输入。 |
| 19 | VBUS | 连接到VBUS总线滑轨。 |
| 21,28 | SW2 | 将此引脚连接到功率级的开关点 2。 |
| 22 | HG2 | 高侧场效应管驱动器 2 |
| 23 | BST2 | 用于高侧场效应管驱动器的升压引脚 2 |
| 24,25,26 | PGND | 电源地 |
| 27 | VCC | 6.6V电源,用于高压侧和低压侧驱动器。 |
| 30,31,32 | PGND | 电源地 |
二、技术文档
| 类型 | 标题 | 上传时间 | 文档下载 |
| 产品规格书(英文) | PL94053_Datasheet_en_r1.0 | 2025/04/09 | PDF下载 |
三、应用方案
| 序号 | 标题 |
| 1 |
车充单C 30W解决方案
|
| 2 |
车载电子方案
|
| 3 |
多口充双C升降压解决方案
|
| 4 |
无线充方案
|

