PL93061 是一款集成快速充电协议的高效率同步双向降压升压充电器
一、产品详情
1、产品特征:
-
支持双向升降压充放电,集成 PD3.1、QC3.0、AFC、SCP、FCP、BC1.2 协议
-
支持PD3.0的source 模式, sink 模式 和 DRP模式
-
充电管理,包括涓流充电、恒流充电、恒压充电和充电终止功能
-
总线电压和电池电压(输入电压)的工作范围宽达32V
-
集成H桥 10mΩ FET
-
支持两个C口
-
支持每个端口的过流、过压保护
-
支持1节电池-4节电池的充电管理
-
支持4.2和3.5V电池充电
-
可编程开关频率150KHz和300KHz
-
输入输出电流限制可每10mA递增编辑
-
可编程VINREG电压,防止适配器过载
-
12位数模转换器,保证10mA/步的可编程电流限制
-
12位数模转换器,保证5mV/步的可编程输出电压
-
可编程线缆压降补偿机制
-
集成USB端口的N沟道驱动程序
-
VMONP引脚上的电池电压、总线电压和所有端口电压检测
-
VMONP 引脚上的电池电流、总线电流和所有端口电流感应
-
芯片上升降压控制器具有全面的保护功能
-
当总线电压接近电池电压时,支持直通操作
-
I²C接口可用于与MCU通信
-
芯片上线性稳压器LDO为单片机供电
-
封装:QFN6x6-42
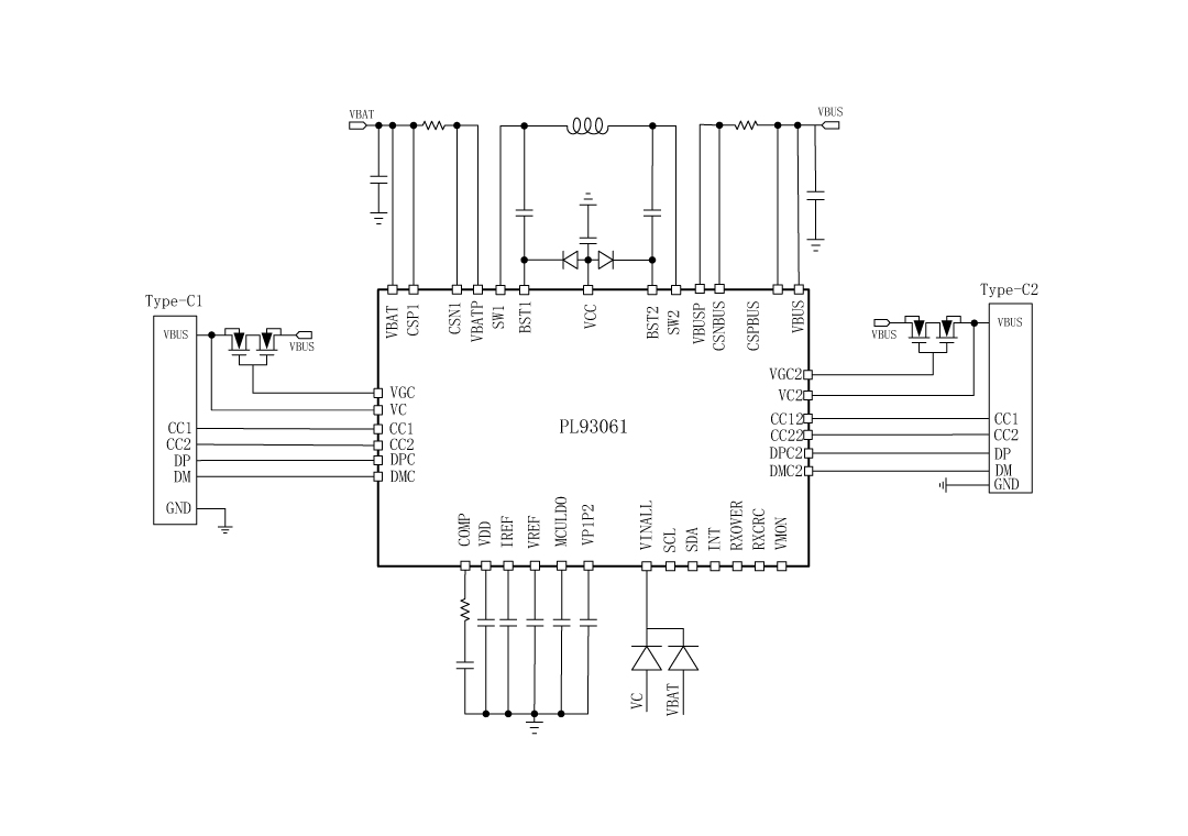
2、应用原理图:
3、产品描述
PL93061是一款集成快速充电协议的高效率同步双向降压升压充电器。它是一个全面灵活的升降压充电器平台,专为大多数快速充电应用(如TYPE-C端口和PD协议)设计。它可以编程为降压充电、升压充电或降压升压充电。PL93061提供I²C接口与MCU进行通讯,为电池和总线端子提供高压传感,提供电池电流、总线电流和USB端口电流的准确轨道电流感应。它还为所有USB端口的CC1、CC2、DP、DM通信信号提供高压阻断。PL93061可以与通用MCU协同工作,提供一个完整、强大且灵活的升降压充电系统,适用于各种快速充电应用,如移动电源、电池组或便携式储能电源等。
在充电模式下,它会升高或降低输入电压以有效地为电池充电。PL93061支持涓流充电、恒流 (CC) 充电和恒压(CV) 充电管理。充电电流和充电电压可以通过两个12位DAC转换器进行编程。
PL93061具有I²C接口,因此用户可以轻松控制充电/放电模式,并通过I²C对充电电流、充电电压、输出电压和输出电流限制进行编程。它还监控USB端口的状态,并提供两个NMOS栅极驱动器来独立控制电源路径。用户还可以使用I²C来监控DC-DC的状态,甚至整个系统。
PL93061还提供VMON引脚,通过该引脚,MCU可以实时监控VBUS、VBAT电压、IBUS、IBAT电流和每个端口的电流。所有这些功能都简化了系统设计,并降低了任何充电系统的BOM成本。PL93061支持欠压保护、过压保护、过流保护、短路保护和过温保护,以确保在各种异常情况下系统的安全。
4、典型应用场景
-
移动电源
-
电池组
-
锂电池充电器
-
便携式设备
-
通用快充
-
智能USB插座
5、封装信息
6、管脚定义和功能描述
管脚功能描述
| 序号 | 名称 | 描述 |
|---|---|---|
| 1 | VC | C口端电压检测 |
| 2 | VGC2 | NMOS栅极驱动器,用于控制C2端口的外部NMOS |
| 3 | VC2 | 用于感应C2端口的电压 |
| 0,4 | AGND | 模拟地。用户应在PCB上将PGND和AGND连接在一起。 |
| 5 | VMON | 用于检测VBUS/VBAT电压、IBUS/IBAT电流以及A/C端口截止MOS的电压降。将此引脚连接到带有RC滤波器的MCU。 |
| 6 | SCL | I²C时钟线,使用上拉电阻器(典型值为10kΩ) 连接。连接到MCU |
| 7 | SDA | I²C数据线,使用上拉电阻器(典型值为10kΩ) 连接。连接到MCU |
| 8 | INT | 用于中断信号的开漏输出。连接到MCU |
| 9 | CC12 | C2端口的配置通道1 |
| 10 | CC22 | C2端口的配置通道2 |
| 11 | RXOVER | 多功能引脚连接MCU |
| 12 | RXCRC | 多功能引脚连接MCU |
| 13 | DPC2 | C2口上电复位D+信号 |
| 14 | DMC2 | C2口上电复位D-信号 |
| 15 | VP1P2 | 1.2V电源 |
| 16 | MCULDO | MCU的3.3V电压输出 |
| 17 | VINALL |
IC 的电源。连接到带有低压肖特基二极管的电源轨。 从该引脚到 GND 放置一个 1μF 电容器,尽可能靠近 IC。 |
| 18 | VDD | 内部5V线性稳压器输出将1μF电容器从VDD引脚连接到GND,尽可能靠近IC。 |
| 19 | VREF | 电压控制回路的参考电压 |
| 20 | COMP | 误差放大器输出和脉宽调制比较器的输入将频率补偿组件连接到此引脚。 |
| 21 | CSN1 | 电流检测放大器的负输入。连接到 VBAT(电池) 侧电流检测电阻器的一个端子。 |
| 22 | CSP1 | 电流检测放大器的正输入。连接到 VBAT(电池)侧电流检测电阻器的一个端子。 |
| 23 | VBAT | 电池电压或输入电压。从该引脚到 GND 放置一个1μF电容器,尽可能靠近IC。 |
| 24 | BST1 | 引导引脚在SW和BST之间连接一个0.1µF或更大电容,以为高侧栅极驱动器供电 |
| 25 | VCC | 用于高压侧和低压侧驱动器的电源 |
| 26 | VBATP | 用于高压侧和低压侧驱动器的电源 |
| 27 | SW1 | 电源切换引脚。将此引脚连接到电感的切换节点。 |
| 28 | SW2 | 电源切换引脚。将此引脚连接到电感的切换节点。 |
| 29 | VBUSP | 充电模式下转换器的功率输入节点,放电模式下转换器的功率输出节点。 |
| 30 | PGND | 电源地。用户应在PCB上将PGND和AGND连接在一起。 |
| 34 | BST2 | 引导引脚在SW和BST之间连接一个0.1µF或更大的电容器,以为高端栅极驱动器供电。 |
| 35 | VBUS | 充电器的电源节点。 |
| 36 | CSPBUS | 电流检测放大器的正输入。连接到电流检测电阻器的一个端子。 |
| 37 | CSNBUS | 电流检测放大器的负输入。连接到电流检测电阻器的一个端子。 |
| 38 | CC1 | C端口的配置通道1 |
| 39 | CC2 | C端口的配置通道2 |
| 40 | DPC | C口上电复位D+信号 |
| 41 | DMC | C口上电复位D-信号 |
| 42 | VGC | NMOS (N沟道场效应管)栅极驱动器,用于控制C端口的外部NMOS |
二、技术文档
| 类型 | 标题 | 上传时间 | 文档下载 |
| 产品规格书(英文) | PL93061_Datasheet_V1.0 | 2025/07/04 | PDF下载 |
三、应用方案
| 序号 | 标题 |
| 1 |

