PL88053是一款60V同步降压转换器
一、产品详情
1、产品特征:
-
4.8V-60V宽范围工作输入电压
-
结温范围: –40°C - +150°C
-
固定3ms内部软启动计时器
-
峰值电流限制保护
-
热关机保护机制
-
0.8V 1% 内部电压基准源
-
可调开关频率最大可达2MHz
-
集成高侧80mΩ场效应管和低侧33mΩ场效应管
-
在轻负载模式下采用脉冲跳频模式实现高效率
-
在轻载模式下低功耗,采用集成式自举充电场效应管
-
运行时效率高达98%
-
采用ESOP8封装
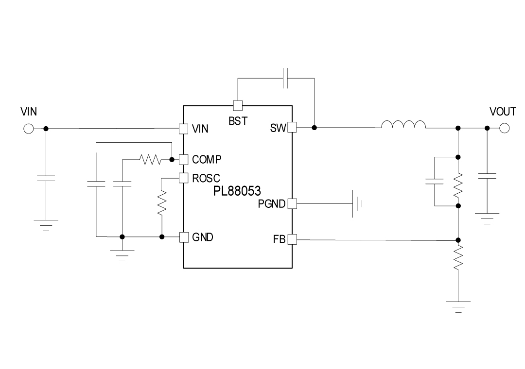
2、应用原理图:
3、产品描述
PL88053是一款60V、3.5A的同步降压调节器,内置高侧场效应管和低侧场效应管。电流模式控制提供简单的外部补偿和灵活的组件选择。低波纹脉冲跳频模式减少无负载供电电流。欠压锁定内部设定为4.8V。输出电压启动斜率由内部控制,以确保受控启动并消除过冲。
宽范围的开关频率允许优化效率或外部组件尺寸。输出电流按周期限制。频率折叠和热关断在过载条件下保护内部和外部组件。
PL88053的其他特点包括超低静态功耗和高效率、创新的峰值电流保护、集成的VCC偏置电源和引导二极管、精密使能和输入欠压锁定(UVLO),以及带自动恢复的热关断保护。
4、典型应用场景
-
电器,电源设备和园艺工具
-
高容量电池组 (电动自行车, 电动滑板车)
-
电机驱动装置,无人机,通讯设备
-
工业自动化和电机控制
-
车辆配件:全球定位系统(GPS),娱乐系统
-
USB专用充电端口和电池充电器
5、封装信息
6、管脚定义和功能描述
管脚功能描述
| 序号 | 名称 | 描述 |
|---|---|---|
| 1 | SW | 电压切换引脚。将此引脚连接到电感的切换节点。 |
| 2 | VIN | 将调节器供电输入引脚连接到高侧功率MOSFET和内部偏置调节器。直接连接到降压转换器的输入供电,使用短且低阻抗的路径。 |
| 3 | BST | 引导驱动电源。 |
| 4 | PGND | 电源地。 |
| 5 | ROSC | 电阻定时。当使用外部电阻接地以设置切换频率时,内部放大器将该端子保持在固定电压上。如果该端子被拉高到PLL的上限阈值,则会发生模式变化,端子变为同步输入。内部放大器被禁用,端子成为内部PLL的高阻抗时钟输入。如果时钟边缘停止,内部放大器被重新启用,操作模式返回到电阻频率编程。 |
| 6 | FB | 电压调节比较器的反馈输入。 |
| 7 | COMP | 误差放大器输出和输入到输出开关电流(PWM)比较器。将频率补偿元件连接到此端口。 |
| 8 | GND | 信号地。 |
| 9 | SW | 电压切换引脚。将此引脚连接到电感的切换节点。 |
二、技术文档
| 类型 | 标题 | 上传时间 | 文档下载 |
| 产品规格书(英文) | PL88053_Datasheet_en_R1.0 | 2025/05/30 | PDF下载 |
三、应用方案
| 序号 | 标题 |
| 1 |
车载电子方案
|
| 2 |
扫地机器人方案
|

