PL93056是一款集成快充全协议、H桥及充电管理的双向升降压SOC
一、产品详情
1、产品特征:
-
输入电压范围:3.5V-24V
-
输出电压范围:2.0V-30V
-
输出功率:45W
-
开关频率:150KHz/300KHz
-
集成了H桥 10mΩ FET、集成快充全协议
-
支持A+C应用、集成I²C通信
-
Buck-boost充放电转换器、集电源路径管理
-
电池类型3V-4.5V可每10mV递增设置
-
支持1-6串电池
-
适配器防拉死电压VINREG可每10mV递增编辑
-
输入输出电流限制可每10mA递增编辑
-
输出电压可每10mV递增编辑
-
支持欠压、过压、过流、短路、温度等保护
-
集成LDO
-
集成DC-DC转换器的各种保护功能
-
封装:QFN6x6-42
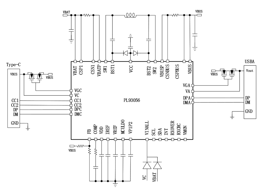
2、应用原理图:
3、产品描述
PL93056是集成了快充全协议的、高效率的、带充电管理的同步双向升降压SOC。 它是一个针对type-C PD快充应用而设计的、功能丰富的、使用灵活的升降压转换器平台。 它可以被设置成降压充电、升压充电以及升降压充电几种模式。PL93056 集成了I²C 接口,可方便与外部系统通信。通过I²C可将电池电压、BUS电压、电池电流、BUS电流及各端口的电压电流信息传送到外部系统。 同时,内部集成了耐高压的CC1/CC2、DP/DM USB通信协议接口。搭配普通的MCU 就可为各种快充应用提供完整、强大、灵活的升降压快充方案。
在充电模式,可通过升压、降压及升降压有效的给电池充电。 PL93056支持涓流、恒流、恒压的充电管理。充电电流和电压都可以通过两个12-bit 寄存器来控制。
PL93056 集成I²C接口,通过读写寄存器用户可方便的控制系统进入充电或放电模式,设置充电电流、充满电压、输出电压以及输出恒流点。通过I²C接口可以监控USB端口的状态,并控制端口NMOS的导通和关闭。同时用户也可以通过读状态寄存器来监控DC-DC的状态,甚至监控整个系统的工作情况。
PL93056提供VMON引脚。MCU可以通过该引脚直接实时读取VBUS、IBUS、VBAT、IBAT以及各端口的电压、电流信息。以简化系统设计和降低BOM成本。 为确保系统在任何工作条件下的安全,PL93056 集成了欠压保护、过压保护、过流保护、短路保护、以及温度保护等功能。
4、典型应用场景
-
充电宝
-
移动储能
-
电池包
-
移动设备(如电动工具、筋膜枪、移动家电等)
-
应急启动电源
5、封装信息
6、管脚定义和功能描述
管脚功能描述
| 序号 | 名称 | 描述 |
|---|---|---|
| 1 | VC | C口端电压检测 |
| 2 | VGA | A口输出路径NMOS控制引脚 |
| 3 | VA | A口端电压检测 |
| 0,4 | GND | 小信号地,需单点接到系统地 |
| 5 | VMON | 为外部MCU提供电压、电流信息,通过RC滤波连接至MCU ADC引脚。可读到 VBUS/VBAT,IBUS/IBAT,温度以及各端口的电压、电流信息。 |
| 6 | SCL | I²C时钟线,通过上拉电阻(典型10kΩ)连接至MCU |
| 7 | SDA | I²C数据线,通过上拉电阻(典型10kΩ)连接至MCU |
| 8 | INT | 中断信号,开漏结构,需连接至MCU |
| 9 | RXOVER | 通信辅助信号,需连接至MCU |
| 10 | RXCRC | 通信辅助信号,需连接至MCU |
| 11 | IREF | 输入、输出电流限流环的参考点 |
| 12 | VP1P2 | 1.2V内部系统电压源 |
| 13 | MCULDO | 3.3V给外部MCU供电 |
| 14 | VDD | 5V内部系统电压源,接1uF陶瓷电容到GND,尽可能靠近引脚 |
| 15 | VINALL | IC供电引脚,外部供电通过肖特基二极管连接至引脚,接1uF陶瓷电容到GND,尽可能靠近引脚 |
| 16 | VREF | 电压环的参考点 |
| 17 | FB | VBUS电压反馈引脚 |
| 18 | COMP | 误差放大器输出节点,连接频率补偿器件到GND |
| 19 | DPA | A口协议识别信号D+ |
| 20 | DMA | A口协议识别信号D- |
| 21 | CSN1 | 电流检测放大器输入负端,检测VBAT端电流 |
| 22 | CSP1 | 电流检测放大器输入正端,检测VBAT端电流 |
| 23 | VBAT | 电池接入点或输入电压点,接1uF陶瓷电容到PGND,尽可能靠近引脚 |
| 24 | BST1 | 连接100nF陶瓷电容至SW1 |
| 25 | VCC | 驱动电压源,接1uF陶瓷电容到PGND,尽可能靠近引脚 |
| 26 | VBATP | H桥输出节点,接VBAT端检流电阻 |
| 27 | SW1 | 开关节点1,接功率电感 |
| 28 | SW2 | 开关节点2,接功率电感 |
| 29 | VBUSP | H桥输出节点,接VBUS端检流电阻 |
| 30 | PGND | 功率地 |
| 34 | BST2 | 连接100nF陶瓷电容至SW2 |
| 35 | VBUS | 输出电压或输入电压点,接1uF陶瓷电容到PGND,尽可能靠近引脚 |
| 36 | CSPBUS | 电流检测放大器输入正端,检测VBUS端电流 |
| 37 | CSNBUS | 电流检测放大器输入负端,检测VBUS端电流 |
| 38 | CC1 | C口检测和快充通信引脚 |
| 39 | CC2 | C口检测和快充通信引脚 |
| 40 | DPC | C口协议识别信号D+ |
| 41 | DMC | C口协议识别信号D- |
| 42 | VGC | C口输入、输出路径NMOS控制引脚 |
二、技术文档
| 类型 | 标题 | 上传时间 | 文档下载 |
| 产品规格书(中文) | PL93056_Datasheet_CN_R1.0 | 2025/04/09 | PDF下载 |
| 产品规格书(英文) | PL93056_Datasheet_en_R1.0 | 2025/04/09 | PDF下载 |
三、应用方案
| 序号 | 标题 |
| 1 |
18-65W电动工具及电池包充电方案
|
| 2 |
CA/2-4串/30-45W充电宝方案
|

