PL59011是一款100V高压大电流同步降压控制器
一、产品详情
1、产品特征:
-
12V-100V的宽输入电压范围
-
最大输出电流:20A
-
开关频率范围为最高500kHz
-
COT控制模式
-
可编程软启动
-
可编程逐周期限流保护
-
支持欠压保护、过压保护、过流保护、短路保护和过温保护等
-
封装:ETSSOP20
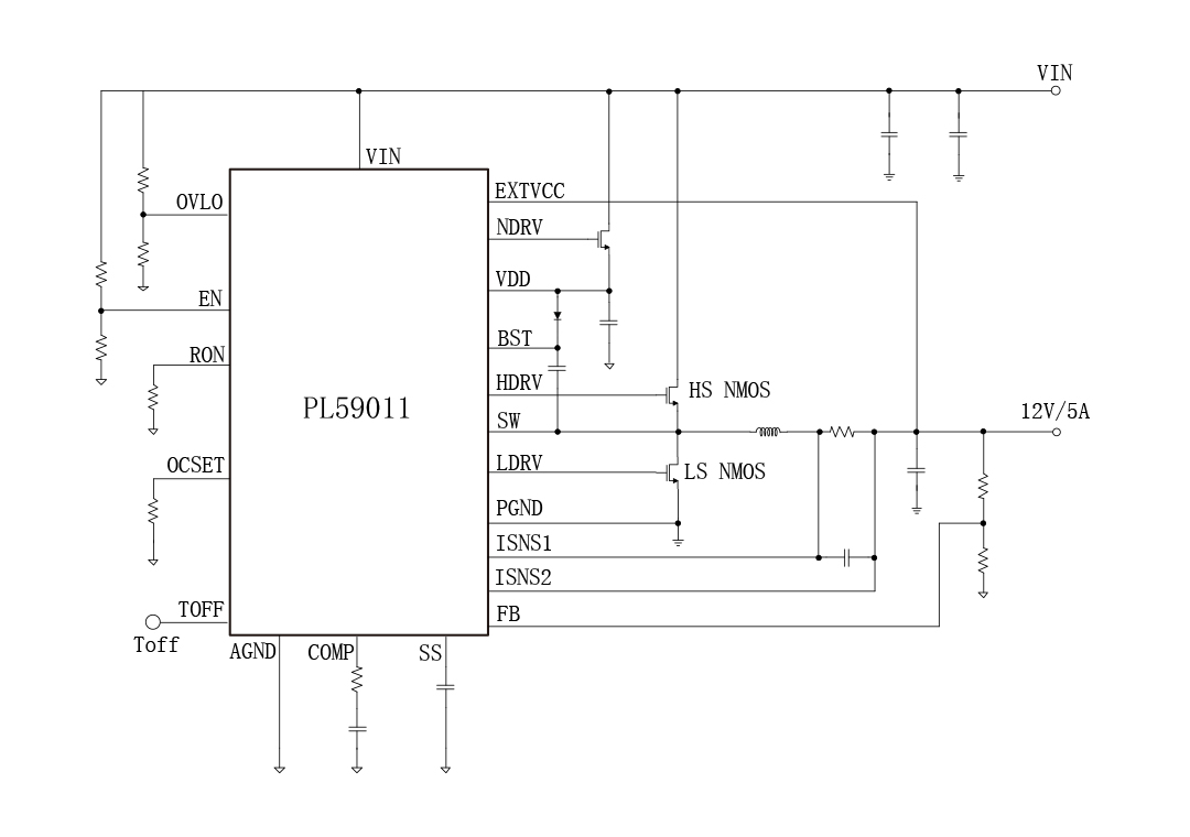
2、应用原理图:
3、产品描述
PL59011是一款适用于输入电压高达100V的超宽输入范围、高性能同步降压DC-DC的PWM控制器。PL59011通过驱动一对外部整流和续流MOS-FET实现大输出电流(可达20A)、超宽出入范围(12-100V)的降压DC-DC应用。可外部编程调整开关频率,可调范围为50 kHz -500 kHz,实现在不同应用下对转换效率、体积、功率大小的灵活设计。
PL59011保护功能齐全,具有可编程设置的输入欠压锁定、输入过压锁定、和输出过流保护以及电源电流低于10µA时的自动关闭模式。在家庭储能电源、电信总线网络转换器、工业电机驱动等高压、大电流应用的理想选择。
4、典型应用场景
-
高电池节数电池组(如:电动自行车、电动踏板车)
-
电机驱动器、无人机、电信
-
移动储能电源
-
非隔离式POE
-
车载电子
-
电器、电动工具和园艺工具
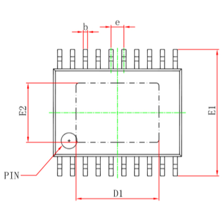
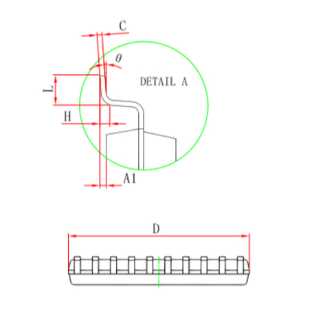
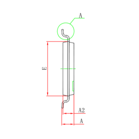
5、封装信息
6、管脚定义和功能描述
管脚功能描述
| 序号 | 名称 | 描述 |
|---|---|---|
| 1 | EN/UVLO | 使能引脚 |
| 2 | OVLO | 输入过压保护引脚,通过外部电阻设置该引脚电压高于1.2V时关断控制器 |
| 3 | OCSET | 通过该引脚到地连接电阻设置电流限制 |
| 4 | RON | 通过该引脚到地连接电阻设置开关频率 |
| 5 | TOFF | 停机延迟设置引脚:该引脚连接到GND:无延迟;该引脚连接到VCC:延迟20S;该引脚浮空:延迟:10s。 |
| 6 | SS | 软启动引脚,通过该引脚与地之间连接电容设置输出电压启动时间 |
| 7 | AGND | 信号地,内部参考电压和控制回路的连接地 |
| 8 | COMP | 内部误差放大器输出引脚,通过该引脚与地之间的电阻电容设置环路补偿 |
| 9 | FB | 反馈信息输入脚。连接输出与地之间的分压电阻,该引脚为敏感信号节点,应远离干扰信号,如SW与BST |
| 10 | EXTVCC | 外部电源输入接口,当EXTVCC引脚电压高于10V时,绕过外部NDRV LDO给VCC供电,该引脚电压不能超过30V,如果不使用,该引脚连接到地 |
| 11 | ISNS2 | 电感电流检测输入2 |
| 12 | ISNS1 | 电感电流检测输入1 |
| 13 | NDRV | 外部NMOS-FET的栅极驱动引脚 |
| 14 | VDD | 内部控制器供电电源,该引脚与地之间连接一个陶瓷电容,推荐值为4.7uF |
| 15 | PGND | 功率地,功率MOS-FET单独连接于该引脚并连接到电源地平面 |
| 16 | LDRV | 下管MOS-FET栅极驱动引脚 |
| 17 | BST | 该引脚与SW引脚之间采用0.1uF陶瓷电容进行连接来产生一个高于输入的电压, 用于提供对上管驱动时所需要的能量 |
| 18 | SW | 开关节点,下管MOSFE的漏极和上管MOSFET的源极连接到该引脚 |
| 19 | HDRV | 上管MOS-FET栅极驱动引脚 |
| 20 | VIN | 输入引脚 |
二、技术文档
| 类型 | 标题 | 上传时间 | 文档下载 |
| 产品规格书(英文) | PL59011_Datasheet_en_R1.0 | 2025/04/29 | PDF下载 |
| 应用指南 | PL59011应用指南V2.0 | 2025/04/29 | PDF下载 |
三、应用方案
| 序号 | 标题 |
| 1 |
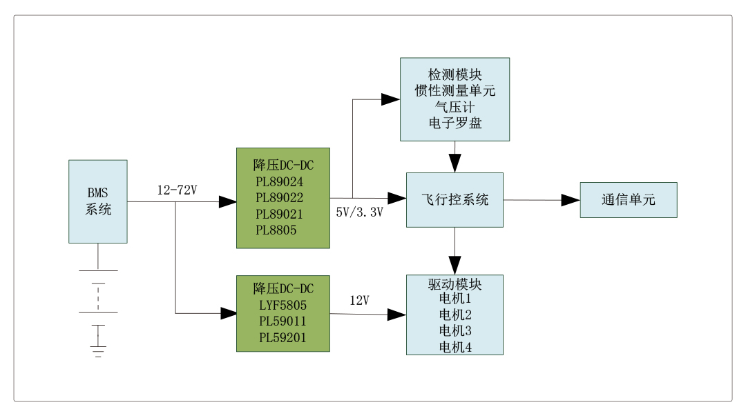
无人机电源应用方案
|

