PL83081是一款同步降压DC-DC控制器
一、产品详情
1、产品特征:
-
输入电压范围:4.2V-24V
-
输出电压范围:2.0V-24V
-
100%工作负载
-
集成两个8mΩ 功率开关场效应管
-
可利用脉宽调制信号或模拟信号对输出电流或输出电压进行动态编程
-
可利用电阻实现开关频率可调
-
利用频率抖动以实现良好的电磁干扰防护
-
集成两个场效应管栅极驱动
-
全面保护功能包括输出短路保护,逐周期峰值电流限制,温度调节,过温关机,输入欠压保护,输出过压保护
-
双输出平均电流限制功能,采用稳定的电压调节环路
-
QFN5x5-32封装
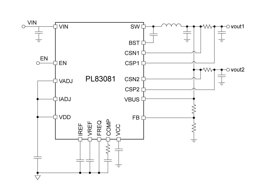
2、应用原理图:
3、产品描述
PL83081是一款PWM(脉宽调制) 控制器,指在用于输入电压为4.2V到24V的高性能同步降压DC/DC应用。PL83081采用恒定开启时间控制。根据FREQ引脚和GND引脚之间的不同电阻值,开关频率可以设置为150kHz或300kHz。
该设备还具有可编程的软启动功能,并提供各种保护特性,包括周期性电流限制、输入欠压锁定(UVLO)、输出过压保护(OVP)、热关断和输出短路保护等。PL83081 提供电压控制回路、恒流回路和热调节回路。
4、典型应用场景
-
汽车启停系统
-
工业用电源供应器
-
USB电源传输技术
5、封装信息
6、管脚定义和功能描述
管脚功能描述
| 序号 | 名称 | 描述 |
|---|---|---|
| 1 | BST | 为高侧场效应管增强驱动器引脚。 |
| 2 | VIN | 输入电压 |
| 3 | CSP1 | 输出1电流感应的正输入 |
| 4 | DVIN | 输入电压 |
| 5 | AGND | 模拟接地。将PGND和AGND在IC下的热焊盘上连接在一起。 |
| 6 | CSN1 | 输出1电流感应的负输入。 |
| 7 | EN | 逻辑高将启用转换器。拉低或浮动以禁用. |
| 8 | VDD | PL83081控制核心的5.4V电源。 |
| 9 | VADJ | 将0-2V的模拟电压或PWM信号连接到VREF引脚以编程电压参考。将此引脚连接到VDD将强制VREF保持恒定为2V |
| 10 | IADJ | 将0-2V的模拟电压或PWM信号连接到IREF引脚以编程电压参考。将此引脚连接到VDD将强制IREF为2V。 |
| 11 | IREF | 输出电流限制环路的参考电压。 |
| 12 | VREF | 电压控制环路的电压参考 |
| 13 | NC | NC,无网络 |
| 14 | AGND | 模拟接地。将PGND和AGND在IC下的热焊盘上连接在一起。 |
| 15 | FREQ | 将GND连接以设置开关频率为150kHz。将此引脚连接到VDD或悬空,以设置开关频率为300kHz。 |
| 16 | COMP | 误差放大器输出。 |
| 17 | FB | VBUS电压反馈。将电阻分压器连接在VBUS和GND之间到FB,以编程VBUS电压。 |
| 18 | CSN2 | 输出2电流感应的负输入。 |
| 19 | CSP2 | 输出2电流感应的正输入。 |
| 20 | AGND | 模拟接地。将PGND和AGND在IC下的热焊盘上连接在一起。 |
| 21 | SW | 将此引脚连接到电压的转换点。 |
| 22 | VBUS | VBUS总线电压。 |
| 23 | VCC | 5.0V电源用于高侧和低侧驱动器。 |
| 24 | PGND | 电源地 |
| 25 | PGND | 电源地 |
| 26 | PGND | 电源地 |
| 27 | PGND | 电源地 |
| 28 | SW | 将此引脚连接到电压的转换点。 |
| 29 | DVIN | 输入电压 |
| 30 | DVIN | 输入电压 |
| 31 | DVIN | 输入电压 |
| 32 | DVIN | 输入电压 |
二、技术文档
| 类型 | 标题 | 上传时间 | 文档下载 |
| 产品规格书(英文) | PL83081_Datasheet_en_r1.0 | 2025/06/12 | PDF下载 |
三、应用方案
| 序号 | 标题 |
| 1 |
车充45W-100W独立A+C方案
|
| 2 |
多口充A+C独立解决方案
|
| 3 |
多口充双C降压解决方案
|

