PL3900是一款高性能多相单输出同步降压/升压控制器
一、产品详情
1、产品特征:
-
2相操作降低了所需的输入和输出电容以及电源引起的噪声
-
同步运行以实现最高效率并减少热量
-
宽范围输入电压:升压模式下为4.5V至56V(感应引脚60V最大绝对值),启动后可在2.5V下工作,降压模式下为4.5V至96V(供电电压引脚100V最大绝对值)
-
输出电压高达96V(升压模式)和 56V(降压模式)
-
±1% 1.2V参考电压
-
电阻器或电感器DCR电流感应
-
CV/CC模式控制(恒压和恒流)
-
可锁定开关频率(75kHz-850kHz)
-
可编程固定开关频率(50kHz-900kHz)
-
电源正常输出电压监测器
-
内部LDO为VBIAS或EXTVCC的栅极驱动供电
-
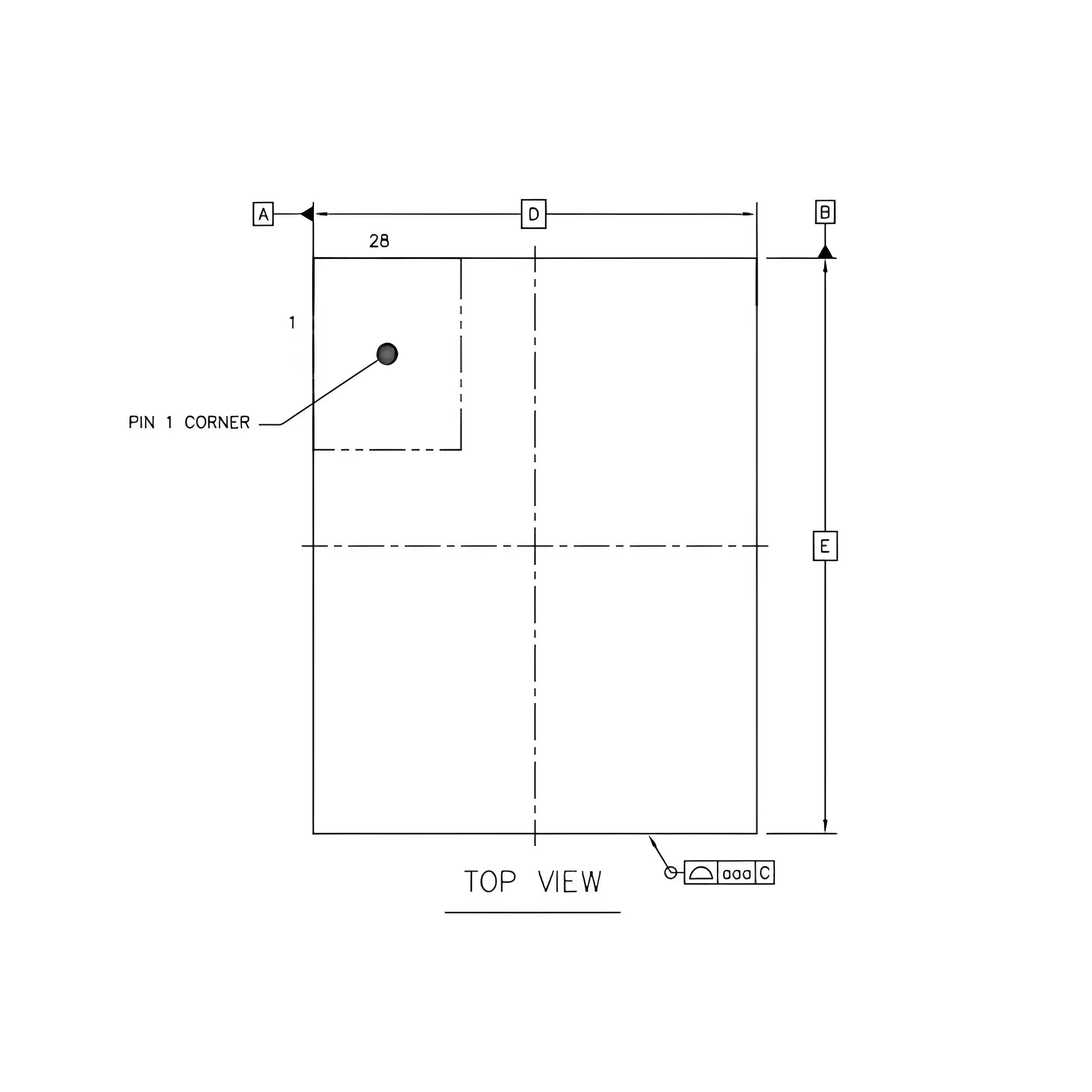
耐热性能增强型扁平28引脚4mm × 5mm QFN封装
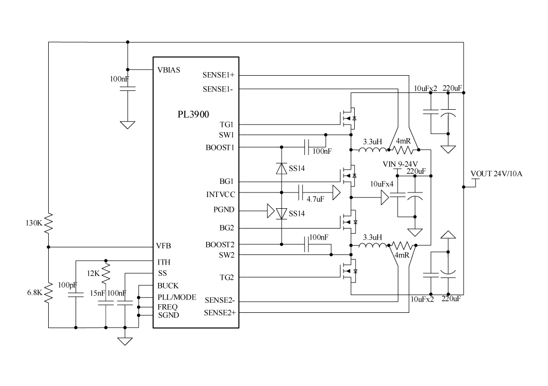
2、应用原理图:
3、产品描述
PL3900是一款高性能多相单输出同步降压/升压控制器,能够异相驱动两个N沟道功率MOSFET级。多相操作减少了对输入和输出电容器的需求,并允许使用比单相等效电感器更小的电感器。同步整流提高了效率,降低了功率损耗,并减轻了热要求,从而实现高功率升压应用。
4.5V至56V(升压模式)和4.5V至96V(降压模式)输入电源范围涵盖了多种系统架构和电池化学。当由转换器输出或其他辅助电源偏压时,PL3900可以在启动后以低至2.5V的输入电源工作。工作频率可以设置为50kHz到900kHz的范围,或使用内部PLL与外部时钟同步。多相操作允许PL3900配置为2相、3相、4相、6相和12相工作。SS引脚在启动期间提升输出电压。PLLIN/MODE引脚在轻负载下选择突发模式操作、脉冲跳过模式或强制连续模式。
4、典型应用场景
-
消费类电子
-
大功率音响产品
-
工业
-
医疗
5、封装信息
6、管脚定义和功能描述
管脚功能描述
| 序号 | 名称 | 描述 |
|---|---|---|
| 1 | FREQ | 内部VCO的频率控制引脚。将引脚连接到SGND会使VCO强制达到固定的低频350kHz。将引脚连接到INTVCC会使VCO强制达到固定的高频535kHz。频率可以通过将电阻器从FREQ引脚连接到SGND来编程,范围为50kHz到900kHz。 |
| 2 | PHASMD | 该引脚可以浮动、连接到SGND或连接到INTVCC,以编程BG1和BG2的上升沿之间的相位关系,以及BG1和CLKOUT之间的相位关系。 |
| 3 | CLKOUT | 用于在多相系统中以菊花链方式连接多个PL3900芯片的数字输出。PHASMD引脚电压控制BG1和CLKOUT之间的关系。此引脚在SGND和INTVCC之间摆动。 |
| 4 |
PLLIN /MODE |
运行控制输入。此引脚低于1V将关闭整个PL3900,连接到VIN的外部电阻分压器可以设置转换器操作的阈值。 |
| 5 | SGND | 信号地。所有小信号元件和补偿元件都应连接到该接地,而该接地又在单个点连接到 PGND。 |
| 6 | RUN | 运行控制输入。将此引脚强制低于1V将关闭整个PL3900,连接到VIN的外部电阻分压器可以设置转换器操作的阈值。 |
| 7 | SS | 输出软启动输入。该引脚的接地电容器设置启动期间输出电压的斜坡速率。 |
| 8 | SENSE2– | 负电流检测比较器输入。 |
| 9 | SENSE2+ | 正电流传感比较器输入。该引脚还为电流比较器供电。SENSE+和SENSE–引脚上的共模电压范围为2.5V至56V(绝对最大值60V)。 |
| 10 | VFB | 误差放大器反馈输入。该引脚从连接在输出端的外部电阻分压器接收远程感应反馈电压。 |
| 11 | ITH | 电流控制阈值和误差放大器补偿点。这个引脚上的电压设置电流跳闸阈值。 |
| 12 | BUCK | 此引脚连接到接地或浮空以将 PL3900 设置为升压模式。此引脚连接 INTVCC 引脚以将 PL3900 设置为降压模式。 |
| 13 | SW2 | 开关节点。连接到同步N沟道MOSFET的源极、主N沟道MOSFET的漏极和电感。 |
| 14 | TG2 | 高侧驱动。连接到同步 N 沟道 MOSFET 的栅极。 |
| 15 | BOOST2 | 用于同步N通道MOSFET的浮动电源,通过电容器旁路到SW,并通过连接到INTVCC的肖特基二极管供电。 |
| 16 | BG2 | 低侧驱动。连接到主 N 沟道 MOSFET 的栅极。 |
| 17 | INTVCC | 内部5.4V LDO输出。用于控制电路和栅极驱动器的电源。该引脚与GND去耦,采用一个最小4.7μF 的低ESR陶瓷电容器。 |
| 18 | EXTVCC | 外部电源输入。当该引脚介于4.8V和30V之间时,内部开关绕过内部稳压器,直接从EXTVCC向INTVCC供电。不要使此引脚浮动。不使用时可接地。 |
| 19 | PGND | 电源地。 |
| 20 | VBIAS | 主电源引脚。它通常连接到输入电源VIN或升压转换器的输出。此引脚与信号接地引脚之间应连接旁路电容器。该引脚的工作电压范围为4.5V到 6V(绝对最大值100V)。 |
| 21 | BG1 | 低侧驱动。连接到主 N 沟道 MOSFET 的栅极。 |
| 22 | BOOST1 | 用于同步N通道MOSFET的浮动电源,通过电容器旁路到SW,并用连接到INTVCC的肖特基二极管供电。 |
| 23 | TG1 | 高侧驱动。连接到同步 N 沟道 MOSFET 的栅极。 |
| 24 | SW1 | 开关节点。连接到同步N沟道MOSFET的源极、主N沟道MOSFET的漏极和电感。 |
| 25 | PGOOD | 电源良好指示器。开漏逻辑输出,当输出电压与稳压输出电压相差超过±10%时,该输出被拉至地。为避免误跳闸,在激活此输出之前,输出电压必须在范围之外25μs。 |
| 26 | ILIM | 电流比较器感应电压范围设置。该引脚用于设置电流比较器中的峰值电流检测电压。将此引脚连接到INTVCC以设置峰值电流感应电压为60mV,控制器在恒压模式下运行,在Buck模式下可以实现打嗝的短路保护。通过电阻器将此引脚连接到SGND,以设置电流感应电压范围,控制器在恒定模式下运行电压和恒流模式。 |
| 27 | SENSE1+ | 正电流传感比较器输入。该引脚还为电流比较器供电。SENSE+和SENSE–引脚的共模电压范围为2.5V至56V(绝对最大值60V)。 |
| 28 | SENSE1– | 负电流检测比较器输入。 |
| 29 | GND | 封装的外露焊盘。焊接到地并连接到一个大的铜平面以减少热阻。 |
二、技术文档
| 类型 | 标题 | 上传时间 | 文档下载 |
| 产品规格书(英文) | PL3900_Datasheet_en_R1.0 | 2025/07/10 | PDF下载 |
三、应用方案
| 序号 | 标题 |
| 1 |
电摩托车车充30-65W 共享A+C方案
|
| 2 |
车载电子方案
|
| 3 |
新能源BMS方案
|

