PL31001是一款16V同步升压转换器, 该器件为便携式设备提供了一种高效且小型的电源解决方案。
一、产品详情
1、产品特征:
-
输入电压范围:2.7V-12V
-
输出电压范围:4.5V-13.5V
-
当输入电压(VIN)为7.2V,VBUS电压为12V,输出电流(IOUT)为2A时效率高达97%
-
集成了12mΩ和15mΩ的FET晶体管
-
可调节开关频率:高达2.2MHz
-
逐周期可编程的电流限制,最高可达10A
-
内置4ms的软启动时间
-
轻载下的不连续导电模式(DCM)运行
-
输入欠压锁定
-
过温保护
-
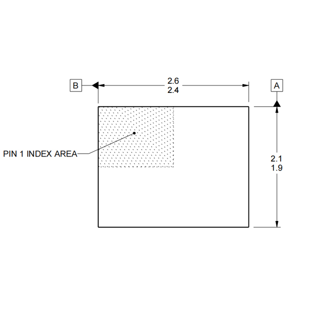
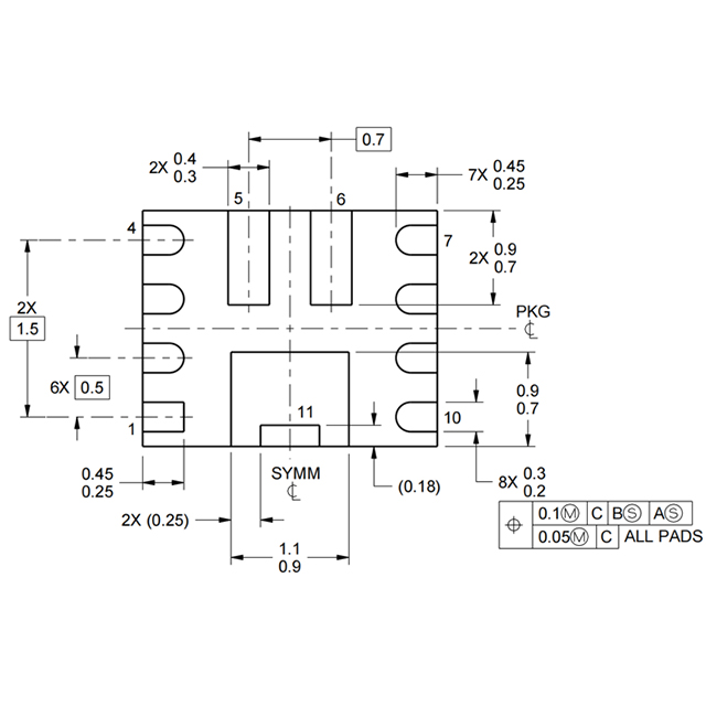
封装:QFNFC2.5x2-11L
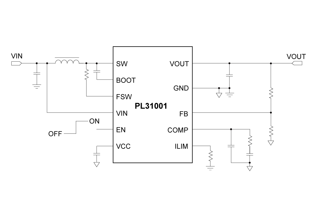
2、应用原理图:
3、产品描述
PL31001是一款全集成同步升压转换器,带有12mΩ主电源开关和15mΩ整流器开关。该器件可以为便携式设备提供高效率和小型电源解决方案。 PL31001具有2.7V至12V的宽输入电压范围,支持由单节或双节锂离子/聚合物电池供电的应用。 PL31001具备10A持续开关电流能力,能够提供高达13.6V的输出电压。
PL31001采用自适应恒定关断时间峰值电流控制拓扑结构调节输出电压。在中等到重负载条件下,PL31001以PWM模式工作。在轻载条件下,PL31001以可提升效率的脉频调制(PFM)模式工作,而PL31001仍以可避免因开关频率较低而引发应用问题的PWM模式工作。PWM模式下的开关频率可在200kHz至2.2MHz范围内调节。
PL31001还内置4ms软启动功能和可调节开关电流峰值限制功能。此外还提供逐周期过流保护和热关断保护。
4、典型应用场景
-
蓝牙扬声器
-
Thunderbolt接口
-
便携式刷卡机(POS)终端
-
电子烟
5、封装信息
6、管脚定义和功能描述
管脚功能描述
| 序号 | 名称 | 描述 |
|---|---|---|
| 1 | FREQ | 开关频率设置,在该脚与SW之间连接电阻设置开关频率 |
| 2 | VCC | 内部稳压器的输出,该引脚和地之间接一个典型值为4.7μF的陶瓷电容器 |
| 3 | FB | 反馈输入,FB检测测输出电压,将FB与连接在输出和地之间的电阻分压器连接。FB是一个敏感节点,让FB远离SW和BST引脚 |
| 4 | COMP | 内部误差放大器的输出,环路补偿网络连接到COMP和地。COMP是一个敏感节点,请确保COMP远离SW和BST引脚 |
| 5 | GND | 电源地 |
| 6 | VOUT | 升压转换器输出 |
| 7 | EN | 芯片控制脚,电压高于1.2V控制芯片开始工作,不可悬空 |
| 8 | ILIM | 可调LSFET峰值电流限制,在该脚与地之间连接电阻 |
| 9 | VIN | 输入电源引脚。使用大电容器和至少另一个0.1uF陶瓷电容器将Vin旁路到GND,以消除IC输入端的噪声。将电容器靠近Vin和GND引脚 |
| 10 | BST | 在SW和BST之间连接一个0.1µF或更大的电容器,为高压侧栅极驱动器供电 |
| 11 | SW | 升压转换器的电源开关引脚,LSFET漏极和HSFET源极的公共节点。将电感连接到此引脚和电源输入 |
二、技术文档
| 类型 | 标题 | 上传时间 | 文档下载 |
| 产品规格书(英文) | PL31001_Datasheet_en_r1.0 | 2025/05/06 | PDF下载 |
| 应用指南 | PL31001应用指南V1.0 | 2025/05/06 | PDF下载 |
三、应用方案
| 序号 | 标题 |
| 1 |

