LM4558 DUAL LOW NOISE OPERATIONAL AMPLIFIERS
1、General Description The LM4558 consists of two high performance operational amplifiers. The IC features high gain, low equivalent input noise voltage, high input resistance, excellent channel separation, wide range of operating voltage and internal frequency compensation. It can work with ± 18V maximum power supply voltage or single power supply up to 36V. The LM4558 is available in DIP-8 and SOP-8 packages. | 2、Features
3、Applications
|
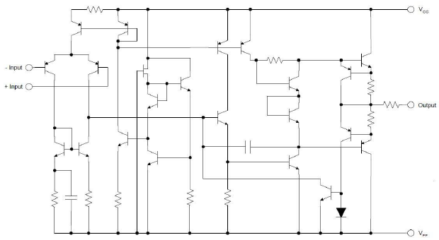
| 4、Functional Block Diagram | 5、Pin Configuration |
![]() | ![]() |
产品型号 | 供货状态 | 通道数 | 工作电压范围 (V) | 增益带宽积 | 静态电流/通道 | 失调电压 (mV) | 失调电压温漂 (μV/°C) | 输入偏置电流 (nA) | 封装 |
| LM4558 | 量产 | 2 | 4.0-36 | 5.5MHz | 2.25mA | 5 | 5 | 400 | SOP8/DIP8 |



