USB Type-C and PD Source Controller
1、特性
| 快充特性 ☆ 两组独立CC口 ☆ 支持PD3.1协议 ☆ 支持PPS ☆ 支持QC3.0、QC2.0 ☆ 支持上拉恒流输出80uA、180uA、330uA ☆ 两组独立DP、DM(一组与CC复用) ☆ 支持华为FCP、SCP ☆ 支持三星AFC ☆ 支持VOOC ☆ 支持Apple2.4、三星充电协议、BC1.2 ☆ 支持UFCS 2、典型应用
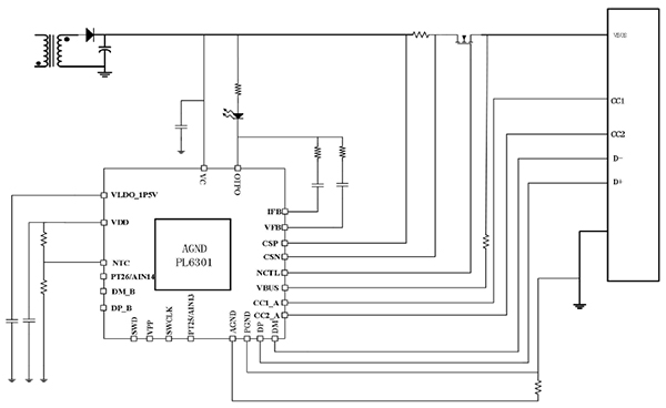
3、概述 PL6301是一颗高性能、高集成度的USB Type- C Power Delivery(电力传输)控制器,可用于USB-A 和 TYPE-C双端口输出的快充协议IC。它集成了恒压、恒 流、以及恒温控制环路。集成高精度的电流采样和电荷泵电路。 |
| 4、Typical Application Schematic | 5、Pin Configuration and Functions |
![]() | ![]() |



