PL5501是一款同步的4开关升降压控制器,能够在高于或低于输入电压时调节输出电压。
一、产品详情
1、产品特征:
-
降压/升压 直流-直流转换控制器
-
利用脉宽调制信号和模拟信号对输出电流和输出电压进行动态编程
-
2V-32V宽范围输出电压
-
全面的保护功能,包括输出短路保护 (OSP)、逐周期输入和输出峰值电流限制、热调节、热关断、输入 欠压锁定保护、输入过压保护、输出过压保护等。
-
利用电阻实现开关频率可调
-
利用频率抖动以实现良好的电磁干扰防护效果
-
集成2个场效应管栅极驱动器
-
具有稳定恒流回路的输入或输出平均电流限制
-
5V/55mA低电压线性稳压器,用于内部单片机供电
-
封装:QFN4x4-32
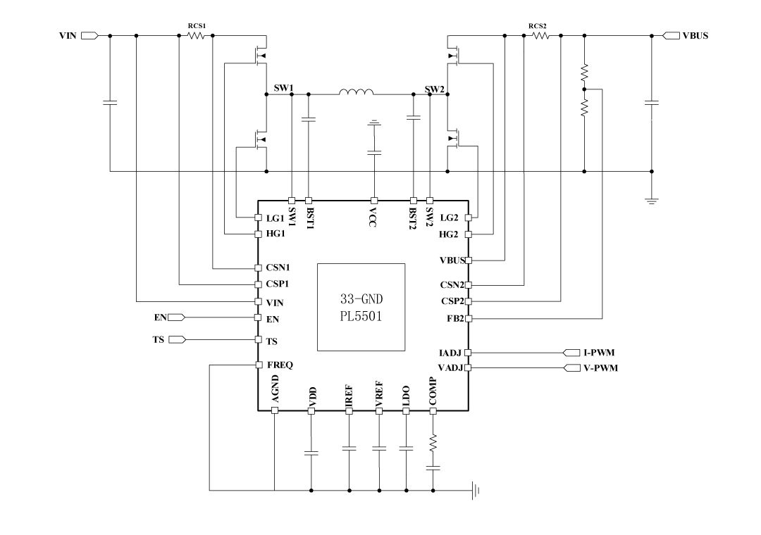
2、应用原理图:
3、产品描述
PL5501 是一款同步4开关降压-升压控制器,能够在高于或低于输入电压时调节输出电压。PL5501可在 3.6V至32V(最大36V)的宽范围输入电压范围内工作,以支持各种应用。
PL5501 在降压、升压和降压-升压作模式下采用恒定导通时间控制,以实现卓越的负载和线路调节。开关频率可根据FREQ引脚和GND引脚之间的电阻值不同,设置为150kHz、300kHz、600kHz或1200kHz。该器件还具有可编程软启动功能,并提供各种保护功能,包括逐周期电流限制、输入欠压锁定 (UVLO)、输出过压保护 (OVP)、热关断和输出短路保护等。
VADJ、IADJ引脚用于编程输出 VBUS 电压和输出电流限制,提供电压控制回路、恒流回路、热调节回路、温度感应,这使得PL5501成为USB供电 (PD) 应用的绝佳选择。
4、典型应用场景
-
汽车启停系统
-
备用电池和超级电容器充电
-
工业用电源供应器
-
车载充电器
-
HUB电源传输技术
5、封装信息
6、管脚定义和功能描述
管脚功能描述
| 序号 | 名称 | 描述 |
|---|---|---|
| 1 | VADJ | 连接0-2V模拟电压或PWM信号,以在VREF引脚上编程电压参考。将此引脚连接到VDD将强制VREF恒定为2V。 |
| 2 | IADJ | 连接0-2V模拟电压或PWM信号以编程IREF引脚上的电压参考。将此引脚连接到VDD将强制IREF为2V。 |
|
3,6,8, 11,30 |
NC | 无网络 |
| 4 | IREF | 输入和输出限流回路的参考电压。 |
| 5 | VREF | 电压控制回路的电压基准 |
| 7 | LDO | 低静态功耗5V/55mA LDO(线性稳压器)。直接由VIN引脚供电。LDO(线性稳压器) 可用作MCU等应用处理器的电源。当EN(使能)为低电平时,只有该LDO将激活为MCU(单片机) 供电,并为整个系统保持低静态电流。 |
| 9 | FREQ | 连接到GND以将开关频率设置为150kHz。将此引脚连接到VDD以将开关频率设置为300kHz。连接到VDD和GND之间的电阻分压器,将频率设置为600k和1200kHz。 |
| 10 | COMP | 误差放大器输出。 |
| 12 | FB2 | VBUS电压反馈。将VBUS和GND之间的电阻分压器连接到FB2以编程VBUS电压。 |
| 13 | CSN2 | 输出电流检测的负输入。 |
| 14 | CSP2 | 输出电流检测的正输入。 |
| 15 | VBUS | 将此引脚连接到输出电压。 |
| 16 | HG2 | 高侧场效应管驱动器2. |
| 17 | BST2 | 用于高侧场效应管 驱动器的升压引脚 2. |
| 18 | SW2 | 将此引脚连接到功率级的开关点 2。 |
| 19 | LG2 | 低侧场效应管驱动器输出 2. |
| 20 | VCC | 6.6V电源,用于高压侧和低压侧驱动器 |
| 21 | LG1 | 低侧场效应管驱动器输出1。 |
| 22 | SW1 | 将此引脚连接到功率级的电压转换处。 |
| 23 | BST1 | 用于高端场效应管驱动器的升压引脚1。 |
| 24 | HG1 | 高侧场效应管驱动器1。 |
| 25 | VIN | 将此引脚连接到输入电压 |
| 26 | CSP1 | 输入电流感应的正输入。 |
| 27 | CSN1 | 输入电流检测的负输入。 |
| 28 | EN | 拉高将启用转换器。逻辑低电平将禁用除 LDO(线性稳压器) 之外的整个 PL5501。当 EN 为低电平时,只有 LDO 为系统 MCU(单片机) 供电。EN 在内部被一个高阻值电阻器拉高。 |
| 29 | AGND | 信号地。 |
| 31 | TS | 温度感应 |
| 32 | VDD | 5.4V为PL5501控制核心电压 |
二、技术文档
| 类型 | 标题 | 上传时间 | 文档下载 |
| 产品规格书(英文) | PL5501_Datasheet_en_r1.2 | 2025/04/24 | PDF下载 |
三、应用方案
| 序号 | 标题 |
| 1 |
车充45-100W 单C方案
|
| 2 |
车充45-100W 独立A+C方案
|
| 3 |
车充45-100W 共享A+C方案
|
| 4 |
车充A+C独立100W解决方案
|
| 5 |
多口充双C升降压解决方案
|
| 6 |
车载电子方案
|
| 7 |
移动储能电源方案
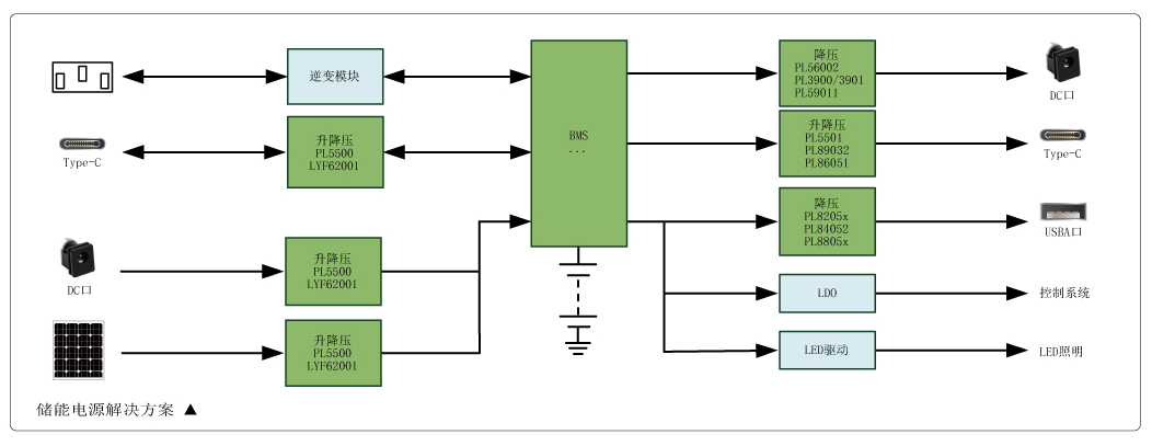
|

