PL8106是一款17V/6A同步降压转换器
一、产品详情
1、产品特征:
-
输入电压范围:4.7V-18V
-
最大输出电流:6A
-
可调节开关频率:1.6MHz
-
集成了两个MOSFET,主开关19mΩ,同步开关8mΩ
-
分离电流轨
-
PWM&PFM两种工作模式
-
逐周期峰值电流检测模式
-
轻载高效模式
-
支持欠压、过压、过流、短路、温度等保护
-
QFNFC 3.5*3.5-15L 封装
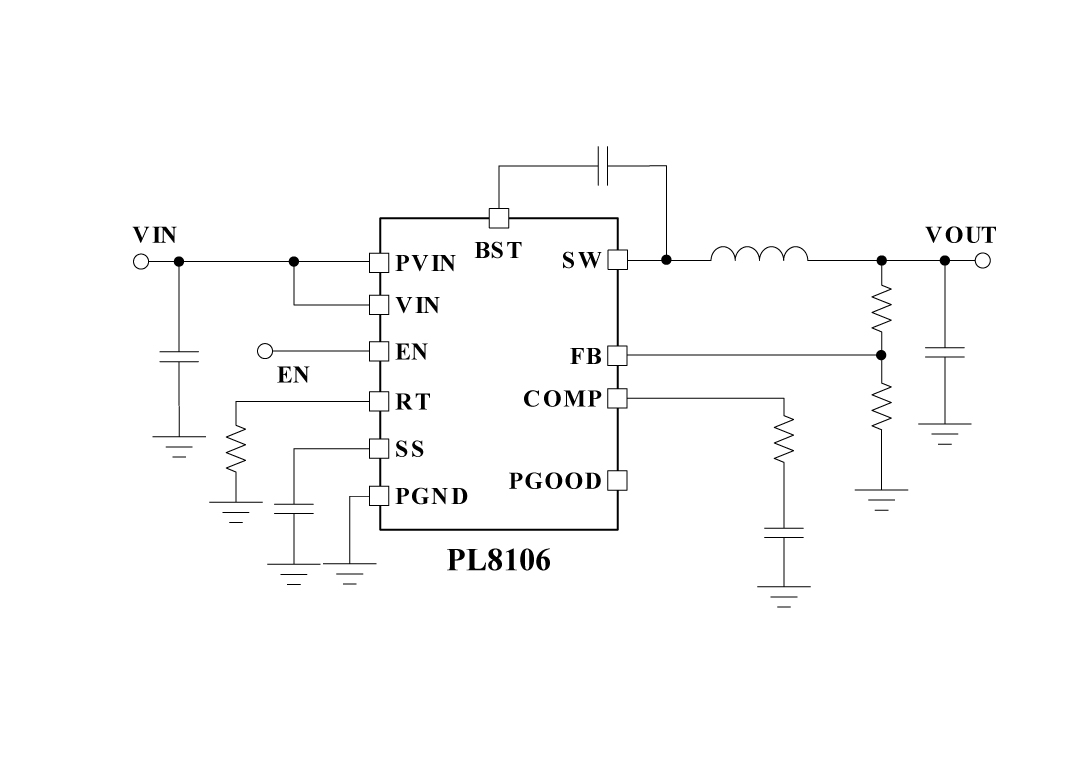
2、应用原理图:
3、产品描述
PL8106采用热增强的3.5mm*3.5mm QFN封装,是一款功能齐全的18V、6A的同步降压转换器,指在通过高效率以及引人注目的高侧和低侧MOSFET优化小型设计。通过电流模式控制实现进一步的空间节省,这降低了组件数量,并通过选择高开关频率减少了电感的占地面积。输出电压启动斜率由SS/TR引脚控制,这使得其可以作为独立电源或在追踪情况下操作。通过正确配置使能引脚和开漏电源监测引脚,也可以实现电源时序控制。
高侧电流限制每个周期保护设备在过载情况下,并通过低侧源电流限制增强,防止电流失控。同时,低侧吸收电流限制也会关闭低侧MOSFET,以防止过量反向电流。当芯片温度过高时,热关断会禁用该部件。
4、典型应用场景
-
分布式电力系统
-
平板电视和显示器
-
无线和ADSL调制解调器
-
宽带,网络互联及光纤通信基础设施
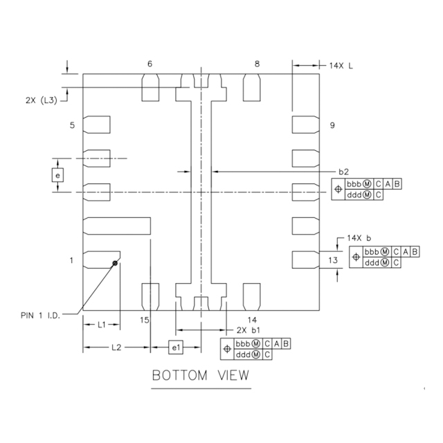
5、封装信息
6、管脚定义和功能描述
管脚功能描述
| 序号 | 名称 | 描述 |
|---|---|---|
| 1 | RT | 自动选择RT模式和CLK模式。外部定时电阻调节设备的开关频率;在CLK模式下,设备与外部时钟同步 |
| 2 | GND | 返回控制电路和低侧功率MOSFET。 |
| 3 | GND | 返回控制电路和低侧功率MOSFET。 |
| 4 | PVIN | 电源输入,功率转换器的电源开关提供电源。 |
| 5 | PVIN | 电源输入,功率转换器的电源开关提供电源。 |
| 6 | VIN | 为功率转换器的控制电路提供支持 |
| 7 | FB | 误差放大器的反相输入 |
| 8 | COMP | 误差放大器输出,以及输出开关电流比较器的输入。将频率补偿连接到该引脚。 |
| 9 | SS | 慢启动和跟踪。连接到此引脚的外部电容器设置内部电压参考的上升时间。此引脚上的电压会覆盖内部参考。它可以用于跟踪和时序控制。 |
| 10 | EN | 启用引脚。浮动以禁用。使用两个电阻调整输入欠压锁定。 |
| 11 | SW | 电压切换节点 |
| 12 | SW | 电压切换节点 |
| 13 | BST | BST和SW之间需要一个引导电容。这个电容上的电压为高侧MOSFET提供门驱动电压。 |
| 14 | PGOOD | 电源监测引脚。如果由于过热关断、压降、过电压、使能关断或慢启动导致输出电压低,则此引脚输出低电平。 |
| 15 | GND | 热垫的封装和信号地,必须焊接到位以确保正常操作。 |
二、技术文档
| 类型 | 标题 | 上传时间 | 文档下载 |
| 产品规格书(英文) | PL8106_Datasheet_V1.0 | 2025/06/17 | PDF下载 |
三、应用方案
| 序号 | 标题 |
| 1 |

