PL89032是一款高性能的同步降压DC-DC转换器
一、产品详情
1、产品特征:
-
12V-100V宽范围输入电压
-
3A持续输出电流能力
-
集成高侧120V, 70mΩ和低侧120V, 70mΩ功率场效应管开关
-
50kHz-500kHz可调频率范围
-
精密参考电压 (1.2 V)
-
可编程软启动器,具备预偏置负载能力
-
可编程的使能延时关闭能力
-
可编程过载保护功能,配备0.2S空白计时器和防抖动功能
-
可编程逐周期电流限制保护功能
-
可编程输入欠压锁定功能
-
可编程输入过压锁定保护功能
-
支持输出过压保护
-
支持过温保护
-
采用QFN5x5mm-32L封装
2、应用原理图:
3、产品描述
PL89032是一款高压降压转换器,专为高性能同步降压DC/DC应用而设计,输入电压可高达60V。它集成了高效率同步降压开关稳压器,其中包括120V、70mΩ的高侧和120V、70mΩ的低侧场效应管,以在12V 到60V的宽工作输入电压下提供3A的连续负载电流。
PL89032 的开关频率可以从50kHz 编程到500kHz,允许根据效率和尺寸进行调节。输出电压可以使用内部 1.2V 参考电压进行精确调节,以满足低电压应用的需求。保护功能包括用户可编程的欠压锁定、过压锁定和过流保护。在关断模式下,供电电流降至20µA以下。PL89032是汽车信息娱乐应用、通讯总线变换器等的不错选择。
4、典型应用场景
-
48V非隔离式直流-直流转换器
-
汽车应用
-
通讯总线转换器
-
通用
-
USB Type-C 电源传输技术
-
工业直流-直流电机伺服器
5、封装信息
6、管脚定义和功能描述
管脚功能描述
| 序号 | 名称 | 描述 |
|---|---|---|
| 2 | VIN | 模拟输入电压 |
| 3 | EN | 使能引脚 |
| 1,4,29,30,31,32,33 | DVIN | 电源输入电压 |
| 24,25,26,27 | PGND | 电源地。这个引脚作为出现一个驱动器的独立接地,应该连接到系统的电源地平面 |
| 6 | OVLO | 使用外部电压分压器设置过电压阈值水平 |
| 7 | OCSET | 当前限值设定点。从此引脚到地的电阻将设置正负电流限制阈值 |
| 8 | RON | 通过电阻将此引脚连接到地(GND),以设置开关频率 |
| 9 | TOFF | 这个引脚提供用户可编程的关机延迟时间功能。连接到GND:无延迟 连接到VCC:20秒 浮空:10秒n. |
| 10 | SS | 该引脚提供用户可编程的软启动功能。连接在此引脚和地之间的外部电容器设定了输出电压的启动时间 |
| 5,11,20,35 | AGND | 信号地用于内部参考和控制电路 |
| 12 | COMP | 误差放大器的输出。通常将一个外部电阻和电容网络连接到该引脚与地之间,以提供环路补偿 |
| 13 | FB | 反馈输入。FB感应输出电压。将FB与连接在输出和接地之间的电阻分压器连接。FB是一个敏感节点。将FB远离噪声信号,例如SW和BST引脚 |
| 14 | EXTVCC | 外部电源输入到连接到VCC的内部LDO线性稳压器。当EXTVCC高于10V 时,此LDO从EXTVCC提供VCC电源,绕过外部NDRV LDO。此引脚的电压不得超过30V。不要将EXTVCC连接到大于VIN的电压。如果不使用,请连接到GND |
| 15 | ISNS2 | 电感电流感应输入2 |
| 16 | ISNS1 | 电感电流感应输入1 | 17 | NDRV | 将NDRV LDO线性稳压器VCC的外部通行设备驱动输出连接到此引脚,以连接外部N型场效应管或NPN三极管的栅极 | 19 | VCC | 这个引脚为IC内部模块提供电源。必须将一个至少为4.7uF的电容从这个引脚连接到接地 | 21,22,28,34 | SW | 切换节点。将此引脚连接到电感的切换节点 | 23 | BST | 此引脚为高侧驱动器供电,必须连接到高于输入电压的电压。此引脚与开关节点之间必须连接至少0.1uF的高频电容 |
| 18 | NC | 无网络 |
二、技术文档
| 类型 | 标题 | 上传时间 | 文档下载 |
| 产品规格书(英文) | PL89032_Datasheet_en_R1.0 | 2025/05/29 | PDF下载 |
三、应用方案
| 序号 | 标题 |
| 1 |
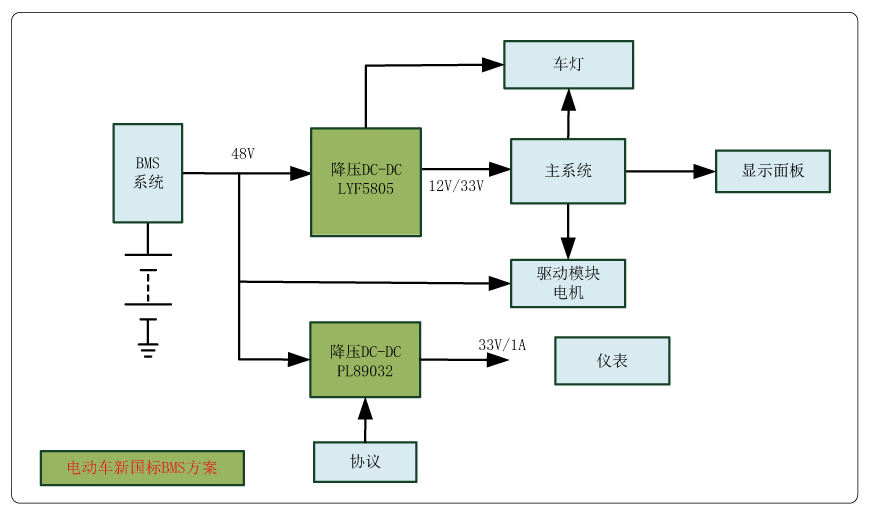
电动车新国标BMS应用方案
|
| 2 |
车充单C PD3.1 30W解决方案
|
| 3 |
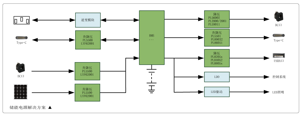
移动储能电源方案
|

