PL8312E是一款36V/1A降压型开关稳压器
一、产品详情
1、产品特征:
-
持续输出电流能力
-
4.5V至36V的宽范围工作输入电压,具有33V输入过压保护
-
集成36V、250mΩ高侧和36V、140mΩ低侧功率MOSFET开关
-
高达97%效率
-
内部软启动限制了导通时的浪涌电流
-
内部补偿以节省外部组件
-
输入欠压锁定
-
输入过压保护,防止设备在高压和高电流条件下工作
-
输出过压保护
-
输出短路保护,具有高侧电流限制和低侧电流限制,以保护设备免受严重短路的影响
-
过温保护
-
轻负载下的脉冲跳频模式,以提高轻负载的效率
-
使用低 ESR 陶瓷输出电容器依然稳定
-
固定500KHz开关频率
-
软启动时间可通过外部编程控制
-
最少的外部元件和密集的内部保护功能
-
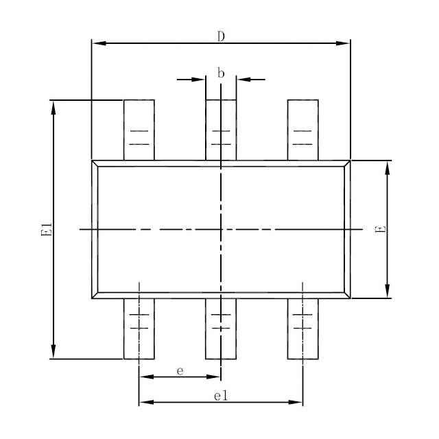
SOT23-6封装
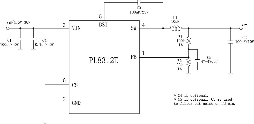
2、应用原理图:
3、产品描述
PL8312E是一款单片36V、1A降压型开关稳压器。PL8312E集成了一个36V 250mΩ高侧和一个36V 140mΩ低侧MOSFET,可在4.5V至36V宽工作输入电压下提供1A连续负载电流,并具有33V输入过压保护。峰值电流模式控制提供快速瞬态响应和逐周期电流限制。
PL8312E具有可配置的线路压降补偿和可配置的充电电流限制。CC/CV模式控制可在恒流充电和恒压充电阶段之间实现平滑过渡。内置软启动可防止上电时出现浪涌电流。
4、典型应用场景
-
USB车充
-
便携式充电设备
-
通用DC-DC转换器
5、封装信息
6、管脚定义和功能描述
管脚功能描述
| 序号 | 名称 | 描述 |
|---|---|---|
| 1 | FB | 反馈输入。FB检测输出电压。将FB与连接在输出端和地之间的分压电阻连接起来。FB是一个敏感节点。请将FB远离SW和BST引脚 |
| 2 | GND | 参考地。 |
| 3 | VIN | 电源输入,请为 Vin 提供 4.5V 至 36V 的电源。 |
| 4 | SW | 电源开关引脚。将此引脚连接至电感器的开关节点 |
| 5 | BST | 自举引脚。在 SW 和 BST 之间连接一个 0.1µF 或更大的电容,为高侧栅极驱动器供电。。 |
| 6 | CS | 电流检测输入。在该引脚与地(GND)之间连接一个 10mΩ 至 100mΩ 的电阻,以设置电流限制。 |
二、技术文档
| 类型 | 标题 | 上传时间 | 文档下载 |
| 产品规格书(英文) | PL8312E_Datasheet_r1.2 | 2025/08/27 | PDF下载 |
三、应用方案
| 序号 | 标题 |
| 1 |
电饭煲电源应用方案
|
| 2 |
直流变频空调电源应用方案
|

